|  | roboforum.ruТехнический форум по робототехнике. |  | 


HarryStar писал(а):А слипа не достаточно? Энергопотреблением во сне можно пренебречь.
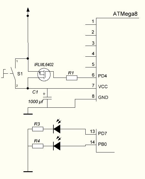
avr123.nm.ru писал(а):P-полевик в питании.
DDRD=0xff;
PORTD.4=1;




Radist писал(а):Полевик подключен неправильно. Исток надо на плюс, сток к МК, затвор подтянуть к плюсу. Кнопка включения параллельно сток-исток. Нажали кнопку - МК выдал в затвор ноль, кнопку можно отпускать, МК будет работать. Надоело МК работать - делает на затворе третье состояние - резистор подтяжки сам закроет полевик. Может быть кондер по питанию еще понадобится.
i=0;
DDRB.0 =1;
PORTB.0=0;
DDRD = 0xff;
PORTD.7 =1;
PORTD.4 = 1;
while (1)
      {
        PORTB.0 = ~PORTB.0;
        delay_ms(500); 
        
        i++;
        
        if (i == 5){
            DDRD.4 =0;
            PORTD.4 =0;    
        } 
      }

Michael_K писал(а):Подтяните затвор ко входу питания.

avr123.nm.ru писал(а):Затвор на землю замкните - если будет работать значит МК не дает "0" на затвор.
Конденсатор примерно на 100-200 ИМХО лучше. И код включения в начало проги поставьте.
DDRD = 0xff;
PORTD.4 = 0;
........
while (1)
      {
        PORTB.0 = ~PORTB.0;
        delay_ms(500); 
        
        i++;
        
        if (i == 5){
            PORTD.4 =1;    
        } 
      }NEOSoftWare писал(а):нет, нужно иммено выключить питание. т.к. в таком состоянии он может несколько недель находиться.

Да, правда.blindman писал(а):Можно получить паразитное питание
HarryStar писал(а):...задача с само-выключением очень надумана...

Вернуться в Электроника, электротехника
Сейчас этот форум просматривают: нет зарегистрированных пользователей и гости: 0