Sofiko » 11 апр 2020, 00:42
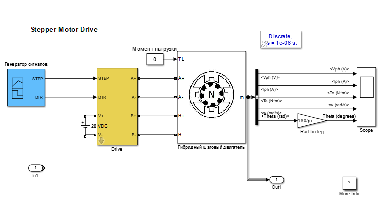
Всем доброго времени дня!Может кто подсказать, как правильно собрать схему в симулинке,чтобы получилась адекватная с использованием энкодеров на валу шаговика для отслеживания реального положения печатающей головки. В качестве subsystem использую встроенную модель шагового двигателя из библиотеки(не знаю, куда подключить in, и правильно ли стоит out).Правильно ли подсоединение энкодера,как на 2 картинке?
- Вложения
-

-
