Myp писал(а):А зачем оба хотенда двигать?
достаточно же второй хотенд поднимать чуть выше первого или опускать чуть ниже первого.
И при этом ось Z еще двигать, плохая идея )
Добавлено спустя 12 минут 55 секунд:
Diffid писал(а):Делал подобное, не понравилось, забросил. На втулках и валах из дисководов. Но у вас гораздо лучше переключение реализовано.
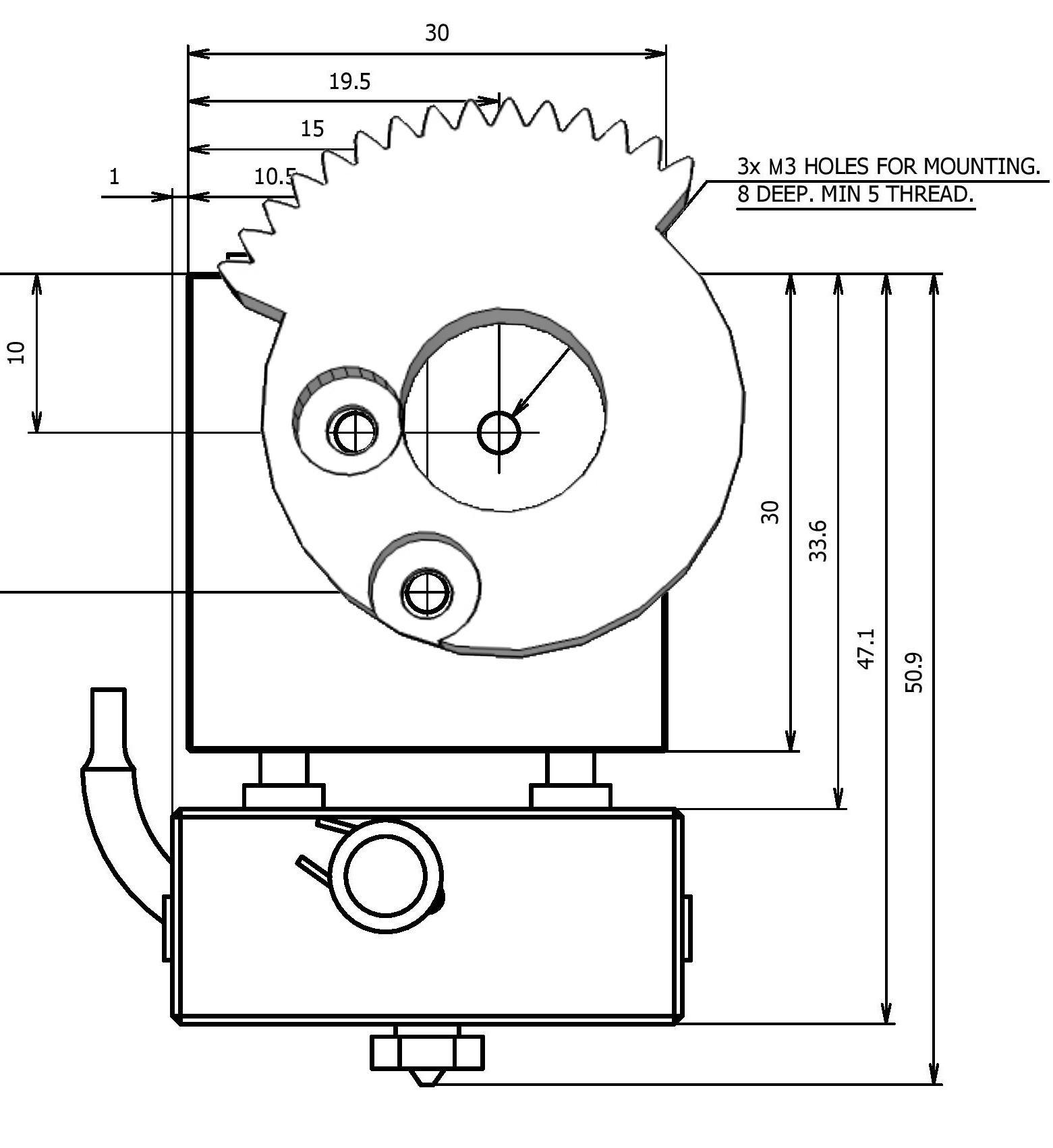
я старался )))
пару месяцев вырисовывал эту штуку, два десятка печатных деталей на выброс
пока занят корпусом принтера, некогда заняться доводкой головы

