Экструдер весом 50грамм - прокатный стан

Обсуждение технологии печати на 3D принтерах. Самостоятельное изготовление и приобретение. RepRap и его последователи.

Re: Экструдер весом 50грамм - прокатный стан

Сообщение Zusul86 » 07 дек 2016, 21:02

infoman писал(а):а он на меньшей частоте работать не может? чтоб не изналятся с движителем
Просто меньшее напряжение подавай. Не на резонансе все в разы печальнее и ни о каких 0.018мм речи там нет.
setar писал(а):как бы сделать компактный и технологичный рычаг для увеличения хода с уменьшением силы ?

Посмотри на http://www.physikinstrumente.com там куча вариаций рычажных актуатаров.

Напечатанное даже работает

Добавлено спустя 4 минуты 9 секунд:
infoman писал(а):мож попробовать такую хрень к рельсе хивина прицепить :D

Шагающие пьезомоторы работают керамической нахлобучкой по керамике. Иначе они быстро съедаются сами или рабочую поверхность изнашивают.
Zusul86
 
Сообщения: 775
Зарегистрирован: 10 авг 2014, 15:02
Откуда: Саров

Re: Экструдер весом 50грамм - прокатный стан

Сообщение setar » 07 дек 2016, 22:46

запомнил для себя новое понятие для поиска : flexure
сайт производителя , пусть тут чтобы не потерялся http://www.mechano-transformer.com/en/p ... 5_app.html
Аватара пользователя
setar
Site Admin
 
Сообщения: 10991
Зарегистрирован: 04 окт 2004, 12:58
Откуда: St.Petersburg
Skype: taranenko.sergey
ФИО: Сергей Тараненко

Re: Экструдер весом 50грамм - прокатный стан

Сообщение infoman » 07 дек 2016, 22:51

setar писал(а):картинка для обдумывания
как бы сделать компактный и технологичный рычаг для увеличения хода с уменьшением силы ?

на такое схеме проще эллектромагнитный движитель создать,вместо пьезоэлементов магнитный маятник :)
infoman
 
Сообщения: 142
Зарегистрирован: 28 ноя 2016, 12:58

Re: Экструдер весом 50грамм - прокатный стан

Сообщение setar » 07 дек 2016, 23:05

Аватара пользователя
setar
Site Admin
 
Сообщения: 10991
Зарегистрирован: 04 окт 2004, 12:58
Откуда: St.Petersburg
Skype: taranenko.sergey
ФИО: Сергей Тараненко

Re: Экструдер весом 50грамм - прокатный стан

Сообщение infoman » 15 дек 2016, 11:12

Dmitry__
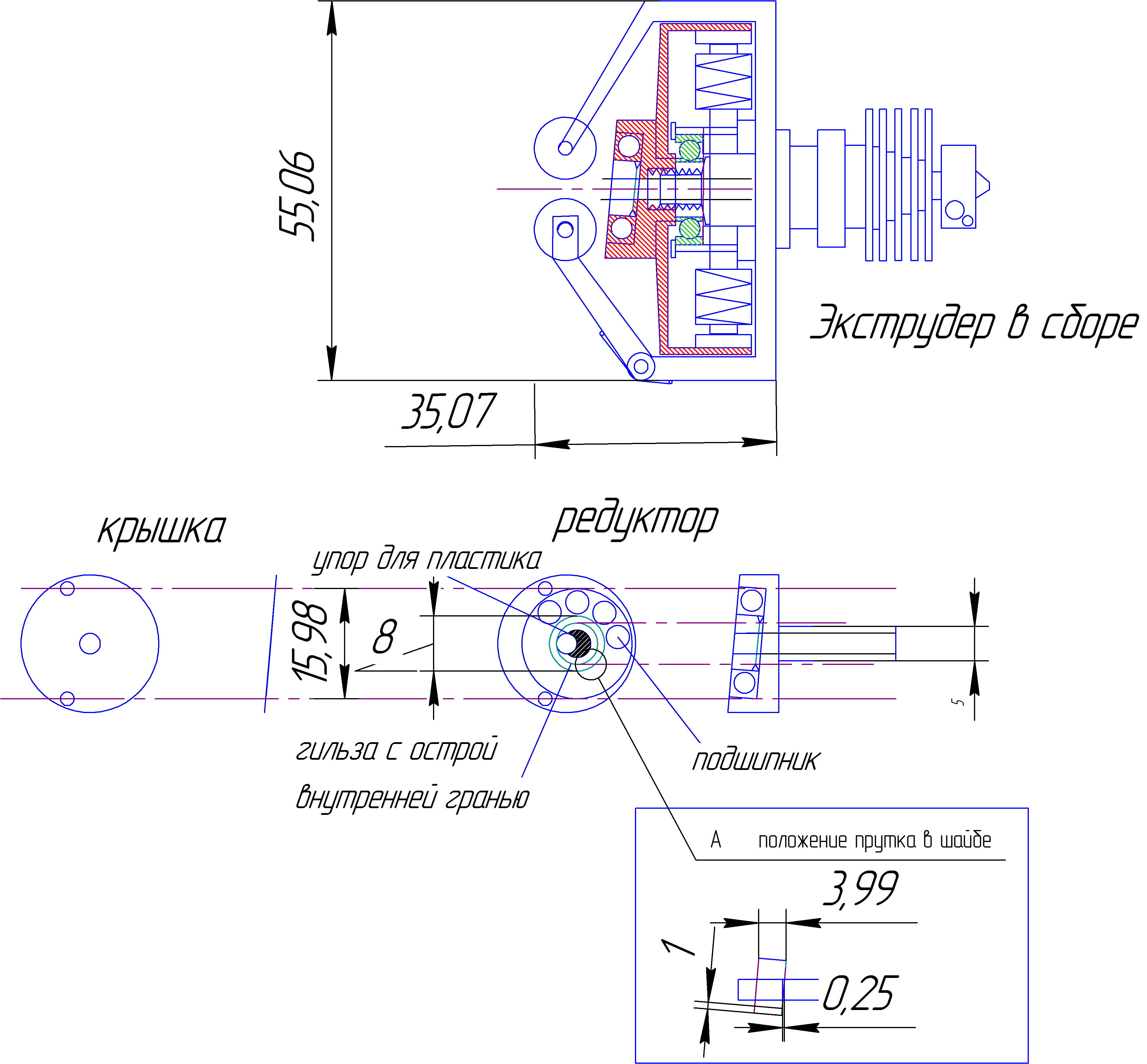
продолжаю тему с экструдером с внутренним редуктором шайбой
экструдер (1).png

что сделанно
заказаны магниты 100шт круглые 5мм диаметр
разобраны 2 идентичных Floppy получены 2 идентичных мотора с 15 зубьями, диаметр 45мм
из мотора взял только собственно магнитопровод
сняты обмотки, в одном из магнитопроводов просверлено отверстие 16мм, внутрь вставлен подшипник 688 и припаян точечной сваркой к магнитопроводу
второй магнитопровод - рассверлено центральное отверстие до 10мм

итак далее я хочу соединить эти 2 магнитопровода для получения большего сечения, есть 2 варианта
технологические отверстия в магнитопроводах позволяют мне соединить болтиками их либо синхронно зуб в зуб, либо шахматкой со смещением зубов.

если я соединяю синхронно то получаю 15 зубов с общей площадью сечения зуба 4.5мм, если соединяю шахматкой то получаю 30 зубов! но с сечением зубов 2.25мм
экструдер толкатель.png
экструдер толкатель.png (9.79 КиБ) Просмотров: 2148

смещение шахматкой не мешает укладке провода, так как магнитопроводы стягиваются болтами(технологические отверстия)

уважаемый Дмитрий подскажи как лучше будет? шахматкой или единым магнитопроводом?, меня интересует момент движка, неодимовые магниты будут полностью покрывать полюса даже со смещенеим шахматкой...
infoman
 
Сообщения: 142
Зарегистрирован: 28 ноя 2016, 12:58

Re: Экструдер весом 50грамм - прокатный стан

Сообщение Dmitry__ » 15 дек 2016, 19:27

infoman писал(а):уважаемый Дмитрий подскажи как лучше будет? шахматкой или единым магнитопроводом?, меня интересует момент движка, неодимовые магниты будут полностью покрывать полюса даже со смещенеим шахматкой...

А уважаемый :) Дмитрий пока вообще не вьехал в схему двигателя. Я довольно плохо воспринимаю 2д картинки. Пока даже понять не могу какой получился двигатель - 2-х фазный или 3-х.
Но общие правила: Полюсов как можно больше (правда магниты, геометрически, должны соответствовать полюсам). Чем больше полюсов, тем больше момент, тем легче двигатель, двигатель становится похож на кольцо с уменьшением нерабочей массы статора (за счет центра).
Надо больше картинок, хороших и разных. Лучше 3д модель...
Аватара пользователя
Dmitry__
 
Сообщения: 8033
Зарегистрирован: 13 янв 2011, 15:25
Откуда: Санкт-Петербург

Re: Экструдер весом 50грамм - прокатный стан

Сообщение infoman » 15 дек 2016, 21:06

Dmitry__ писал(а): Лучше 3д модель...

вот вам 3d
тут синхронное расположение магнитопроводов - зуб в зуб, получаем большую площадь магнитопровода
IMG_20161215_210121.jpg
IMG_20161215_210107.jpg

а тут расположение шахматкой, получается 30зубов и меньшее сечение магнитопровода
IMG_20161215_210017.jpg
IMG_20161215_205957.jpg
IMG_20161215_011943.jpg
Вложения
IMG_20161215_012102.jpg
infoman
 
Сообщения: 142
Зарегистрирован: 28 ноя 2016, 12:58

Re: Экструдер весом 50грамм - прокатный стан

Сообщение Dmitry__ » 15 дек 2016, 21:32

Вот теперь понятно. :)
Сдвигать в шахматном порядке точно не стоит, т.к. у соседних полюсов будут магнитные замыкания. Можно сделать как гибридный шаговый двигатель. Разнести статоры и сместить в шахматном порядке. Двигатель получится 2-х фазный, с лучшим использованием железа чем в 3-х фазных. Но надо драйвер с 4 полумостами (в 3-х фазном 3 полумоста).
На картинке, S и N - будут статорами твоего брушлесика, между ними увеличить расстояние до > 1/2 размера одного полюса. У каждого статора свой набор магнитов.
Но зачем тебе такое рукоблудие? Надо было брать брушлесик от коптера :(

Изображение
Аватара пользователя
Dmitry__
 
Сообщения: 8033
Зарегистрирован: 13 янв 2011, 15:25
Откуда: Санкт-Петербург

Re: Экструдер весом 50грамм - прокатный стан

Сообщение Zusul86 » 15 дек 2016, 22:15

Zusul86
 
Сообщения: 775
Зарегистрирован: 10 авг 2014, 15:02
Откуда: Саров

Re: Экструдер весом 50грамм - прокатный стан

Сообщение Myp » 15 дек 2016, 22:21

если покупать, то сразу нормальный, с полым валом
https://www.aliexpress.com/item/new-280 ... 56118.html
<telepathmode>На вопросы отвечает Бригадир Телепатов!</telepathmode>
Всё уже придумано до нас!
Аватара пользователя
Myp
скрытый хозяин вселенной :)
 
Сообщения: 18018
Зарегистрирован: 18 сен 2006, 12:26
Откуда: Тверь по прозвищу Дверь
прог. языки: псевдокод =) сила в алгоритме!
ФИО: глубокоуважаемый Фёдор Анатольевич

Re: Экструдер весом 50грамм - прокатный стан

Сообщение infoman » 15 дек 2016, 22:41

Dmitry__ писал(а): 1/2 размера одного полюса.

я так полагаю если я рассверлю второй магнитопровод на 16 и насажу его на другую сторону подшипника то получится как раз разнесение полюсов, я померил расстояние между зубами будет около 1.5мм что больше 1.2

таким образом получится нечто вроде шаговика, помимо разнесения сделать смещение шахматно то получится как у шаговика(там тож зубы смещены)тогда можно использовать один магнит для обоих половинок ротора. ведь у шаговика полюса разные но катушки то одна на 2 полюса, значит можно сделать 2 катушки на один полюс... можно же?

получится шаговик без микрополюсов с двумя фазами и можно управлять обычным драйвером шаговика на полный шаг?

Добавлено спустя 19 минут 5 секунд:
Myp писал(а):если покупать, то сразу нормальный, с полым валом
https://www.aliexpress.com/item/new-280 ... 56118.html

а какая у него рабочая скорость?(максимальный момент?)
infoman
 
Сообщения: 142
Зарегистрирован: 28 ноя 2016, 12:58

Re: Экструдер весом 50грамм - прокатный стан

Сообщение Zusul86 » 15 дек 2016, 22:45

Myp писал(а):если покупать, то сразу нормальный, с полым валом
Статор 2805 с 12 полюсами... 5мм это просто насмешка, а не полый вал...
Вот с полым валом https://ru.aliexpress.com/item/Emax-GB4 ... 54507.html
Но такой со стандартным ESC не заведется.
Zusul86
 
Сообщения: 775
Зарегистрирован: 10 авг 2014, 15:02
Откуда: Саров

Re: Экструдер весом 50грамм - прокатный стан

Сообщение Dmitry__ » 15 дек 2016, 22:57

infoman писал(а):расстояние между зубами будет около 1.5мм что больше 1.2

Размер полюса - это не расстояние между полюсами. Какие 1.5 мм.? Раздвигать надо на см., ну минимум на 5 мм. Круглые магниты тоже плохо, лишний вес или неиспользованные габариты. Магнит не должен выходить за область полюса (по ширине). Лучше купи брушлесик...
Аватара пользователя
Dmitry__
 
Сообщения: 8033
Зарегистрирован: 13 янв 2011, 15:25
Откуда: Санкт-Петербург

Re: Экструдер весом 50грамм - прокатный стан

Сообщение infoman » 15 дек 2016, 23:31

Dmitry__ писал(а):Лучше купи брушлесик...
какой? вон говорят тот что вы показали типа брехня, у меня то получится 15 полюсов и рычаг полюсов относительно центра 22.5мм что согласитесь больше чем 15мм у C2805, и потом не понятно на какой скорости у этого двигателя максимальный момент...
мне вот нужна скорость 400 оборотов в минуту это оптимально средний показатель для моего редуктора и экструдера

Добавлено спустя 3 минуты 40 секунд:
Zusul86 писал(а):Вот с полым валом https://ru.aliexpress.com/item/Emax-GB4 ... 54507.html
Но такой со стандартным ESC не заведется.

это тяжелый слишком, нам надо 20-30 грамм
я полагаю что чем больлее плоским он будет тем лучше (рычаг полюса относительно оси вращения будет больше, а значит и энергозатраты при прочих равных будут меньше)
infoman
 
Сообщения: 142
Зарегистрирован: 28 ноя 2016, 12:58

Re: Экструдер весом 50грамм - прокатный стан

Сообщение Myp » 15 дек 2016, 23:33

Zusul86 писал(а):5мм это просто насмешка, а не полый вал...

для 3 мм прутка этого отверстия будет за глаза.
Zusul86 писал(а):Но такой со стандартным ESC не заведется.

любой модельный ESC непригоден для экструдера, хоть стандартный хоть какой))

Добавлено спустя 1 минуту 53 секунды:
infoman писал(а):таким образом получится нечто вроде шаговика

крутить можно будет стандартным драйвером шаговиков и получится то с чего начинали, шаговик на экструдере))
<telepathmode>На вопросы отвечает Бригадир Телепатов!</telepathmode>
Всё уже придумано до нас!
Аватара пользователя
Myp
скрытый хозяин вселенной :)
 
Сообщения: 18018
Зарегистрирован: 18 сен 2006, 12:26
Откуда: Тверь по прозвищу Дверь
прог. языки: псевдокод =) сила в алгоритме!
ФИО: глубокоуважаемый Фёдор Анатольевич

Пред.След.

Вернуться в 3D печать

Кто сейчас на конференции

Сейчас этот форум просматривают: Google [Bot] и гости: 84