Собрал Prusa i3 Rework RAMPS 1.4. Залил прошивку Marlin. Оси X, Y и экструдер двигаются. Ось Z стоит и на команды не реагирует.
Драйвера менял местами, рабочие.
![]() |
roboforum.ruТехнический форум по робототехнике. |
|
|
| Реклама | ||||
|
|
|
|||
a.stuliy писал(а):Может быть и глупый вопрос, но тем не менее. Если ставить между столом и соплом зазор в лист бумаги, а печать начинается с позиции z0, то при правильно откалиброванном принтере высота получается высота детали плюс первоначальный зазор. В слайсерах видел, что первый слой можно печатать не с нулевой позиции по z. Таким образом касаясь стола соплом делаем это положение нулем по z, а начиная печатать не с нуля получаем правильную высоту. Так ли это?
n0fate писал(а):Собрал Prusa i3 Rework RAMPS 1.4. Залил прошивку Marlin. Оси X, Y и экструдер двигаются. Ось Z стоит и на команды не реагирует.
Драйвера менял местами, рабочие.
| Реклама | ||||
|
|
|
|||
BATT писал(а):надо самое лучшее что есть по печати из абс.
Myp писал(а):BATT писал(а):надо самое лучшее что есть по печати из абс.
миллионер чтоли?

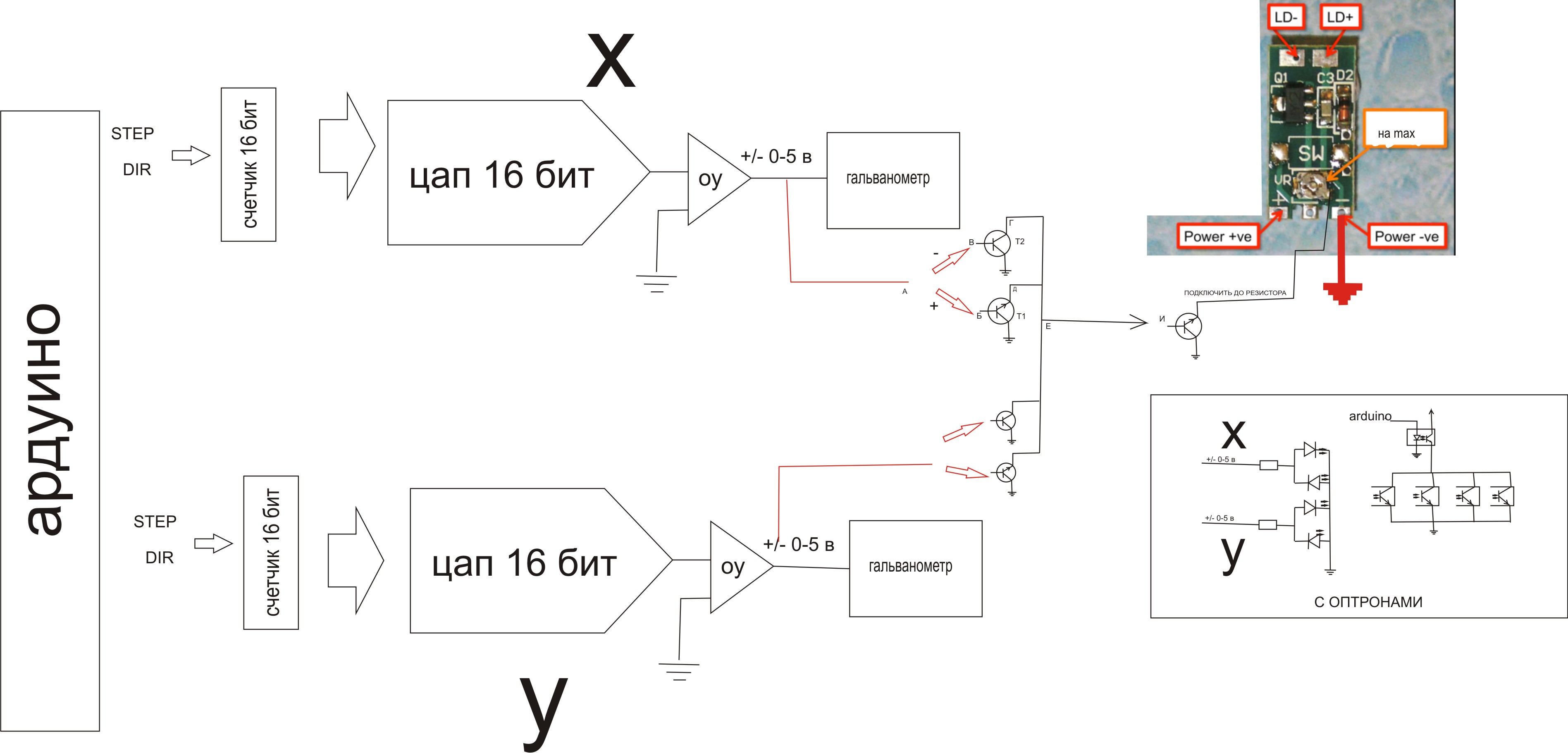
Andrew S писал(а):Т.е. вы меняете резистором ток базы-эмиттера, и, соответственно, приоткрываете или при закрываете его.
Andrew S писал(а):1. Это использовать микросхему - операционный усилитель с гальванометра на управление лазерным диодом
Andrew S писал(а):2. С помощью переписывания G-кода, т.е. просто пропустить готовый G-код через фильтр написанный в любой программке, типа
if X > 100 {print "F 255"}
BATT писал(а):Myp писал(а):BATT писал(а):надо самое лучшее что есть по печати из абс.
миллионер чтоли?
До 400т. Советом помоги лучше
elshad66 писал(а):да , я об этом думал
но и еще есть один момент
если привязать к степам то надо привязать и к дир,потому как нужен обратный
отсчет,чем дальше от центра тем больше мощьность,чем ближе к центру тем меньше
и еще привязать к точке отсчета (центр)
допустим лазер в центре шим 190
двигаем от центра вправо по х на 25мм ,прога выдает 32768 степов
код вычисляет шим, допустим 215
далее двигаем вверх по у на 25мм , прога выдает еще 32768 степов,лазер по диагонали
код должен вычислить не столько же а добавить 40 % от того что уже выдал
как то так понимаю,,незнаю может ошибаюсь
elshad66 писал(а):Я и такой вариант,думал,только чтоб в проц входил двуполярный сигнал , а выходил шим на оптрон вкл-выкл ,,или выходил ток на этот же оптрон
еще думал прицепить к счетчикам еще один 16 бит цап, но чтоб он работал уже в униполярном режиме,тогда б минус отпал бы,,только два плюса , но и здесь загвоздка,
его можно настроить на любое напряжение от 0 до 12 в,но он это напряжение даст от о до 65536 бит,и при сбросе на ноль будет средняя точка т,е, 32768бит,а это половина напряжения,и он будет в одну сторону поднимать , а в другую понижать
еще была идея прицепить к оси гальванометров заслонку чтоб она закрывала ,фоторезистор или фотодиод
еще была бредовая идея прицепит к +/-5в лампочку + фоторезистор или фотодиод

a.stuliy писал(а):Помогите разобраться. Есть prusa i3. Изначально стол был сдезан из 3мм алюминия. В середине стола был бугор. Купил 6мм борсиликатное стекло. Поставил - по середине опять бугор!!! Ну не может оно быть гнутым! Думал валы прогнулись - провернул их на 90 градусов - тот же эффект. Неужели неравномерность нагрева все выгибает. Сам подогрев изогнут и в центре отстает немного от стола.
Сейчас этот форум просматривают: нет зарегистрированных пользователей и гости: 0