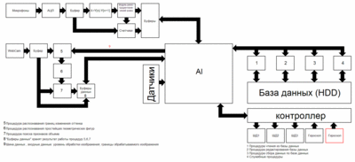
Структура R-119
1) Процедуры обработки звука
- АЦП (Звуковая карта) (Стерео , 16 Бит , 44100Гц) +
- Процедура быстрого преобразования Фурье (FFT) (BufSize = 512 значений) +
- Процедура регистрации изменения выходных значений FFT
...
2) Процедуры обработки видео
- Процедура захвата изображения +
- Процедура распознавания границ объектов (сделано , но алгоритм сжирает слишком много ресурсов , так что надо придумывать новый)
- Процедура распознавания признаков объема
- Процедура регистрации изменений изображений
- Процедура логического сжатия данных
...
3) Механика и "железо"
- Шасси (сделано на половину , стараюсь сделать шасси как можно лучше (поэтому столько раз оно переделывалось)
- Контроллер ШД (собран на 85%)
- Веб камера +
- Контроллер ведущих двигателей
- Стеклоподъемники (жду зарплаты , чтоб купить)
4) Базы данных
- База данных (БД) объектов (нумерация файлов DBOX , где Х номер файла)
- БД звуковых данных (нумерация файлов DBSX , где Х номер файла)
- БД движений\действий * (нумерация файлов DBAX , где Х номер файла)
- БД слов (нумерация файлов DBWX , где Х номер файла)
- Сложная база данных (нумерация файлов DX , где Х номер файла) **
...
5) Процедуры работы и сбора информации с БД
- Процедура чтения БД
- Процедура редактирования (изменения) БД
- Процедура сбора служебных данных
- Процедура создания файлов "тегов" , которые часто используются для поиска по БД. **
- Процедуры записи в БД
- Обслуживающие процедуры
6) Структура ИИ
- Таймеры
- Условные циклы
- Процедура выполнения файлов DBA
- Процедура чтения файлов D
- Процедура ведения файла истории his
- Процедура логического сжатия (упрощения) файла истории **
...
7) Система защиты
- Контроль температуры*
- Контроль влажности *
- Обычные процедуры контроля (не врезаться в стену , не упасть со стола и т.п.)
- Процедуры психологического контроля (Во загнул

роботу она не нужна , так что про неё забудем)
...
Примечание:
* - возможно , процедура не понадобится и поэтому реализовывать её не буду
** - не знаю как точно назвать эту процедуру. Поэтому написал то название , которое пришло на ум.
Этот список еще не полный.