Что-то никто не отвечает. Не интересно? Тогда могу не писать..
Опишу тогда по подробнее , что я хочу сделать.
Этого робота я уже создаю месяцев 10 , начал создавать его когда мне было еще 19 лет (поэтому проект и называется R-1
19 ) Сейчас мне 20. А сама идея появилась года 3 назад (обдумывал как можно реализовать ИИ) , просто не было возможности (денег) купить хоть какой то , даже б\у компьютер для робота. А эта материнка осталась с моего старого ПК (обновлял железо). Поэтому сразу начал делать "железную часть" робота и создал тему на этом форуме . Хочется создать хоть какой-то ИИ , пусть даже примитивный . А то надоели уже эти роботы , которые либо только ездят по черной линии либо натыкаясь на препятствия разворачиваются и едут дальше.
У меня уже есть кое какие наработки , только не буду постить сюда вопросы о том как создать ИИ или же один из его компонентов , который я придумаю , буду выкладывать только результаты того чего я добьюсь. Потому что получится топик , в котором будет находится , извините , один бред . Видел тут несколько тем на эту тему , по моему даже от одного человека , мог прочитать страницы 3 , а потом там такая муть начиналась , что читать было не возможно

. И результата , по моему до сих пор никакого нету.
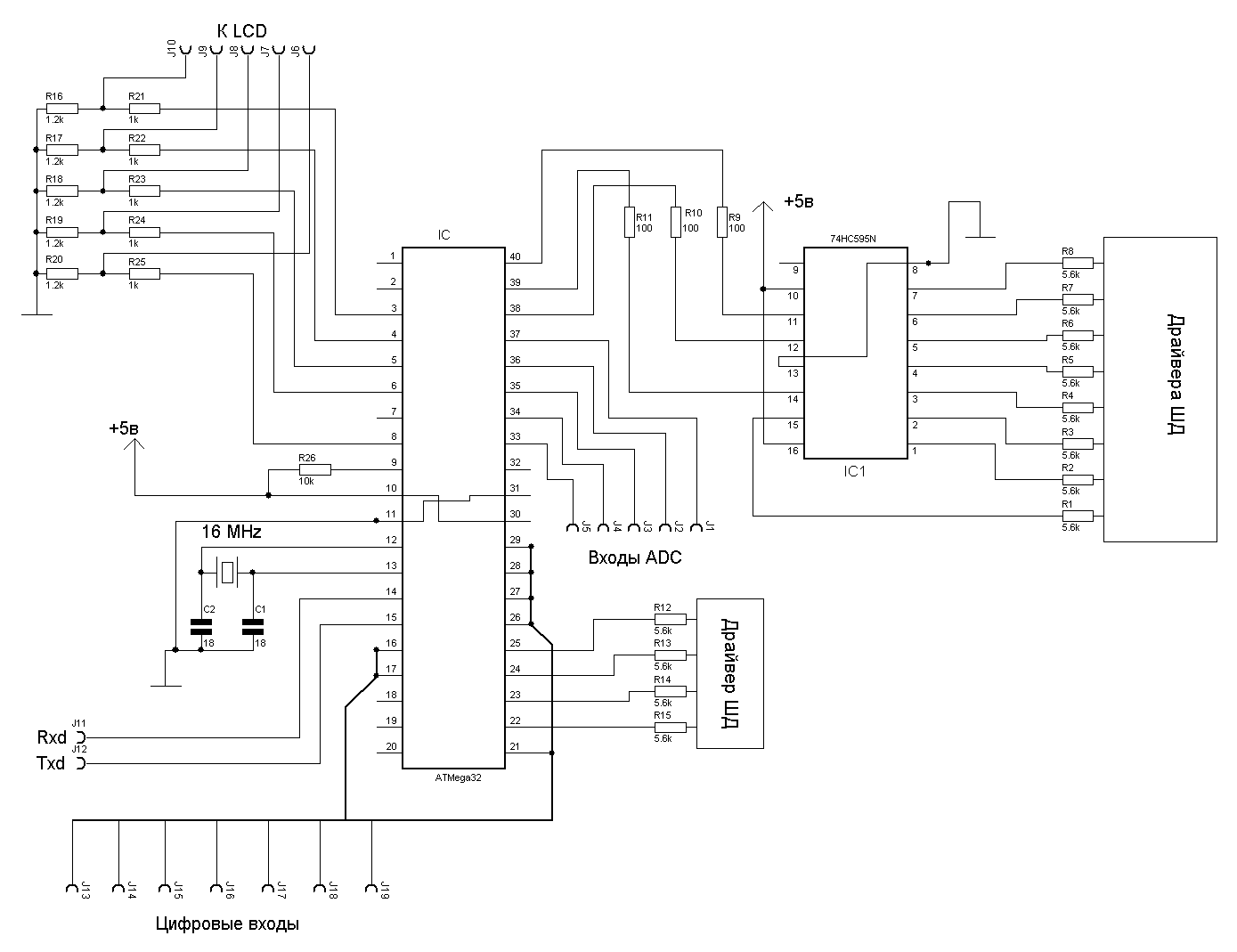
P.S. Контроллер на ATMega уже готов ,так же купил веб камеру и сделал программу видеозахвата. Сейчас нету времени продолжить дальше делать робота. Опять начались экзамены.
