ЦЕЛЬ ПРОЕКТА : создать автономный охранный комплекс с возможностью дистанционного управления через радио и GSM связь..
Возможности: Видео наблюдение, охрана помещения с помощью датчиков (объемники, ИК, звуковые), будет оснащен пожарными датчиками. Авто поиск зарядного и стыковка с ним. Видео передатчик на 1 км.. а также в перспективе IP камера.
Этапы:
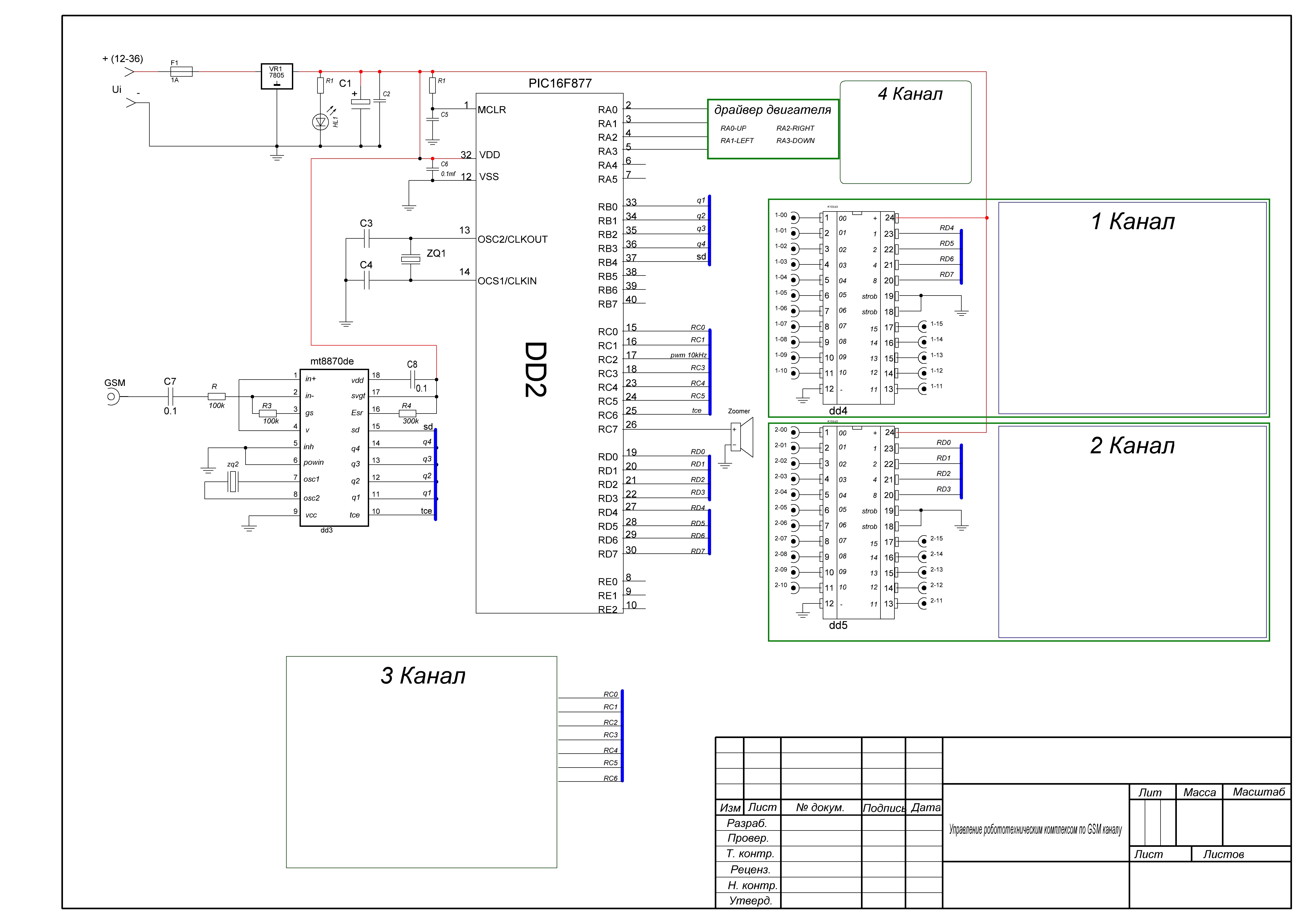
1. Создана плата управления универсального назначения в данном случае управлять будет робототехническим комплексом.
2. Делаю 4 колесное шасси, за основу был разобран детский джип. Модифицированы были амортизаторы редуктор и двигатели.
Корпус делаю из оргстекла..
Плата управления ..За основу взял Pic16F877
Таблица команд
Делаю шасси:



