Робототехнический комплекс РК-1

Наше хобби — конструировать и программировать.
Демонстрация готовых роботов и устройств построенных своими руками.

Робототехнический комплекс РК-1

Сообщение jin_jin » 01 ноя 2010, 17:29

Этот проект – это мой первый проект связанный с построением робототехнического комплекса..
ЦЕЛЬ ПРОЕКТА : создать автономный охранный комплекс с возможностью дистанционного управления через радио и GSM связь..
Возможности: Видео наблюдение, охрана помещения с помощью датчиков (объемники, ИК, звуковые), будет оснащен пожарными датчиками. Авто поиск зарядного и стыковка с ним. Видео передатчик на 1 км.. а также в перспективе IP камера.

Этапы:

1. Создана плата управления универсального назначения в данном случае управлять будет робототехническим комплексом.

2. Делаю 4 колесное шасси, за основу был разобран детский джип. Модифицированы были амортизаторы редуктор и двигатели.
Корпус делаю из оргстекла..

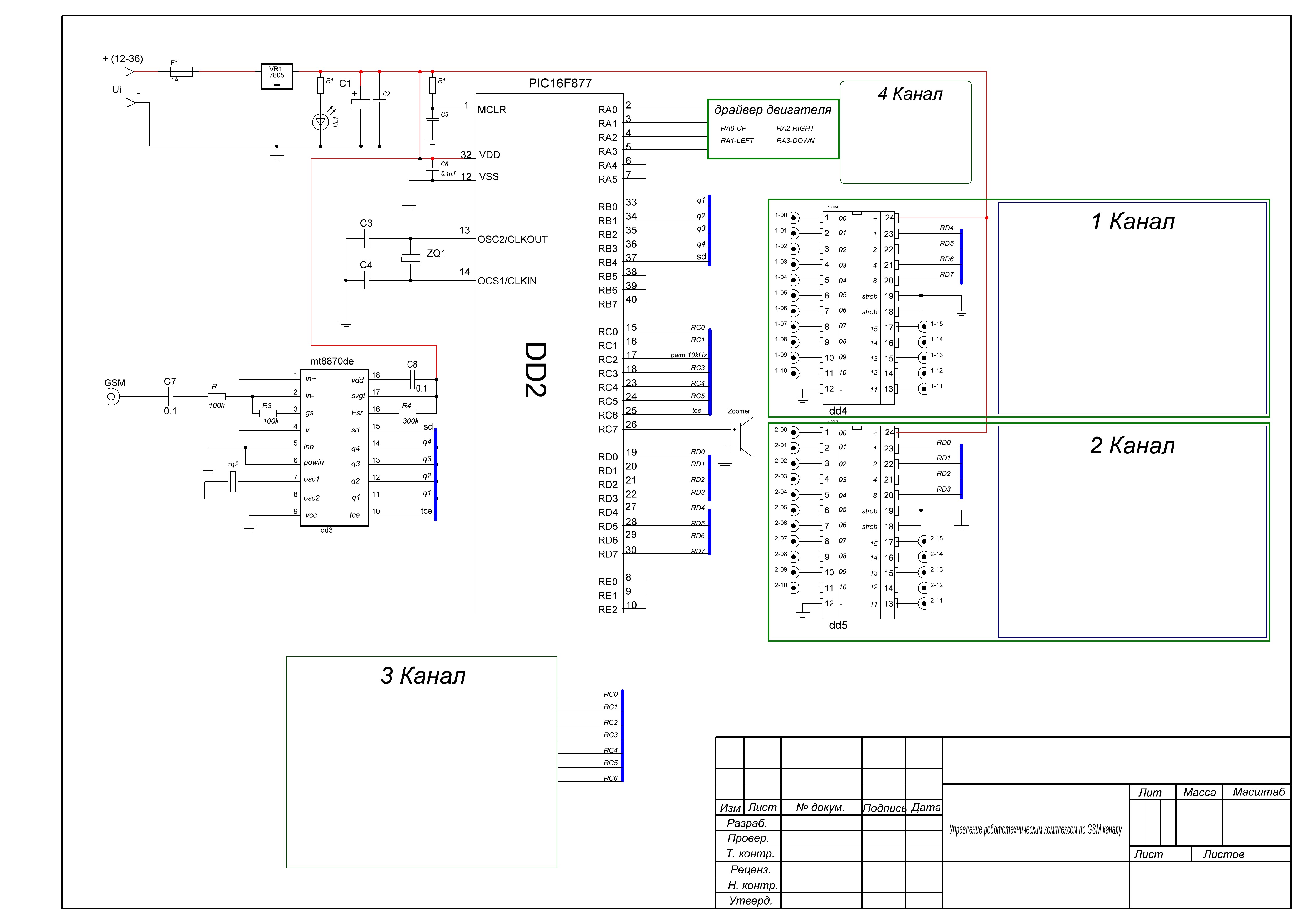
Плата управления ..За основу взял Pic16F877
Таблица команд
Делаю шасси: :D
Вложения
dtmfgsm.HEX
hex
(4.84 КиБ) Скачиваний: 377
30102010043.jpg
30102010044.jpg
27102010033.jpg
делаю шасси
28102010042.jpg
сама плата
таблица комманд.jpg
таблица команд
dtmf.jpg
печатка
dtmf gsm.jpg
принципиалка
Последний раз редактировалось jin_jin 02 ноя 2010, 20:20, всего редактировалось 4 раз(а).
10101011
Аватара пользователя
jin_jin
 
Сообщения: 22
Зарегистрирован: 12 окт 2010, 11:35
Откуда: Беларусь Гродно
прог. языки: delphi asm
ФИО: Евгений

Re: Робототехнический комплекс РК-1

Сообщение =DeaD= » 01 ноя 2010, 17:31

Модератор "=DeaD=":Картинки нужно разместить на форуме. Это в правилах форума есть.
Проект [[Open Robotics]] - Универсальные модули для построения роботов
Аватара пользователя
=DeaD=
 
Сообщения: 24218
Зарегистрирован: 06 окт 2004, 18:01
Откуда: Ебург
прог. языки: C++ / PHP / 1C
ФИО: Антон Ботов

Re: Робототехнический комплекс РК-1

Сообщение EdGull » 01 ноя 2010, 17:42

полностью перекликается с моим проектом ClearDroid
только он еще и пылесосить будет
но передача видео у него не более 100м.
Аватара пользователя
EdGull
 
Сообщения: 10211
Зарегистрирован: 28 дек 2004, 20:33
Откуда: Тольятти
Skype: Ed_Gull
прог. языки: Bascom AVR Basic
ФИО: Гуль Эдуард Викторович

Re: Робототехнический комплекс РК-1

Сообщение jin_jin » 01 ноя 2010, 17:51

ну не совсем перекликается.. У моего будет совсем другое назначение ..охранное и управление по GSM, хотя если еще и щетки приделать то будет еще + и пылесос :)
Видео передатчик сам собирал для проверки работает в прямой видимости 1км
10101011
Аватара пользователя
jin_jin
 
Сообщения: 22
Зарегистрирован: 12 окт 2010, 11:35
Откуда: Беларусь Гродно
прог. языки: delphi asm
ФИО: Евгений

Re: Робототехнический комплекс РК-1

Сообщение Дмитрий К. » 01 ноя 2010, 21:14

Гыы, а с моим по названию. В остальном проект, конечно, серьезнее.

А зачемстолько красных СД?
Дмитрий К.
 
Сообщения: 76
Зарегистрирован: 01 июл 2010, 20:58
Откуда: Санкт-Петербург
прог. языки: Си
ФИО: Дмитрий

Re: Робототехнический комплекс РК-1

Сообщение jin_jin » 01 ноя 2010, 23:54

Дмитрий К. писал(а):А зачемстолько красных СД?


Так вроде как плата получилась универсального назначения.. Они для контроля команды нужны, что бы видеть что команда работает :) Можно подключать в сущности любую нагрузку через реле, оптроны, транзисторы или тиристоры
10101011
Аватара пользователя
jin_jin
 
Сообщения: 22
Зарегистрирован: 12 окт 2010, 11:35
Откуда: Беларусь Гродно
прог. языки: delphi asm
ФИО: Евгений

Re: Робототехнический комплекс РК-1

Сообщение galex1981 » 02 ноя 2010, 10:59

А Драйверы двигателей готовы или в разработке?
if(!Operate) Read(pDatasheet);
Аватара пользователя
galex1981
 
Сообщения: 4363
Зарегистрирован: 04 дек 2008, 22:44
Откуда: Камышин
Skype: galk-aleksandr1
прог. языки: Kotlin, Java, C, C++, Assm, BasCom, VB, php
ФИО: Галкин Александр Владимирович

Re: Робототехнический комплекс РК-1

Сообщение jin_jin » 02 ноя 2010, 11:13

драйверы готовы ..тачка уже на выходных покаталась на славу... Трава, косогорье, бордюры все ни почем ...даже двери сносит с разгону. :)

драйвер реализован на том же пике а силовая часть на полевиках

собрал за вчера на быструю руку релейную плату управления :D извините за хлам на столе..
Вложения
S6000002_новый размер.JPG
релейная плата
10101011
Аватара пользователя
jin_jin
 
Сообщения: 22
Зарегистрирован: 12 окт 2010, 11:35
Откуда: Беларусь Гродно
прог. языки: delphi asm
ФИО: Евгений

Re: Робототехнический комплекс РК-1

Сообщение galex1981 » 02 ноя 2010, 12:19

Очень даже неплохо! А движки тоже от детского джипа?
if(!Operate) Read(pDatasheet);
Аватара пользователя
galex1981
 
Сообщения: 4363
Зарегистрирован: 04 дек 2008, 22:44
Откуда: Камышин
Skype: galk-aleksandr1
прог. языки: Kotlin, Java, C, C++, Assm, BasCom, VB, php
ФИО: Галкин Александр Владимирович

Re: Робототехнический комплекс РК-1

Сообщение jin_jin » 02 ноя 2010, 13:34

нет поставил от шуруповертов Bosh пришлось шестерни токарю отдать переделать под редуктор.
10101011
Аватара пользователя
jin_jin
 
Сообщения: 22
Зарегистрирован: 12 окт 2010, 11:35
Откуда: Беларусь Гродно
прог. языки: delphi asm
ФИО: Евгений

Re: Робототехнический комплекс РК-1

Сообщение yak-40 » 02 ноя 2010, 21:33

Ну что, очень даже неплохо! :good:
Тема очень интересна, тоже о таком типе робота думаю. Только как у ЭдГул-а, обязательно с функцией уборки помещения. :D
З.Ы. роботы должны приносить пользу людям :friends:
- Этот человек - не человек! это робот!
- Как? уже делают?!
- Делают!!!
Аватара пользователя
yak-40
 
Сообщения: 3037
Зарегистрирован: 23 окт 2007, 22:03
Откуда: Москва
прог. языки: С
ФИО: Евгений Яковец

Re: Робототехнический комплекс РК-1

Сообщение jin_jin » 02 ноя 2010, 21:42

yak-40 писал(а):З.Ы. роботы должны приносить пользу людям :friends:

Ну дык и будет приносить .. :D охранять будет около дома вместо собаки :beer:
10101011
Аватара пользователя
jin_jin
 
Сообщения: 22
Зарегистрирован: 12 окт 2010, 11:35
Откуда: Беларусь Гродно
прог. языки: delphi asm
ФИО: Евгений

Re: Робототехнический комплекс РК-1

Сообщение yak-40 » 02 ноя 2010, 21:45

А почему нокия? как у ней с управляемостью? Вроде уарта нет :(
Да и кабель какой-то жуткий к ней подходит. Явно не штатный :)
- Этот человек - не человек! это робот!
- Как? уже делают?!
- Делают!!!
Аватара пользователя
yak-40
 
Сообщения: 3037
Зарегистрирован: 23 окт 2007, 22:03
Откуда: Москва
прог. языки: С
ФИО: Евгений Яковец

Re: Робототехнический комплекс РК-1

Сообщение jin_jin » 02 ноя 2010, 21:51

кабель штатный управление через DTMF Почему нокиа? да первый попавшийся телефон просто штекер один только сделал можно еще пару подпоять и мона будет Samsung sonyer коммуникатор любой..Не обязательно телефон можно и рацию подключить плата то универсальная
10101011
Аватара пользователя
jin_jin
 
Сообщения: 22
Зарегистрирован: 12 окт 2010, 11:35
Откуда: Беларусь Гродно
прог. языки: delphi asm
ФИО: Евгений

Re: Робототехнический комплекс РК-1

Сообщение yak-40 » 02 ноя 2010, 21:55

Ааааа, DTMF, тогда понятно, а я думал АТ-командами рулишь...
- Этот человек - не человек! это робот!
- Как? уже делают?!
- Делают!!!
Аватара пользователя
yak-40
 
Сообщения: 3037
Зарегистрирован: 23 окт 2007, 22:03
Откуда: Москва
прог. языки: С
ФИО: Евгений Яковец

След.

Вернуться в Наши проекты

Кто сейчас на конференции

Сейчас этот форум просматривают: нет зарегистрированных пользователей и гости: 0

cron