GPS модуль EB-230

Наше хобби — конструировать и программировать.
Демонстрация готовых роботов и устройств построенных своими руками.

GPS модуль EB-230

Сообщение seraf » 16 июн 2010, 01:27

Вот помучил GPS модуль EB-230. Он маленький, должен работать с пассивной антенной выполненной на плате. Так что вполне можно куда-нить запихнуть :)
eb-230-6.jpg

При подаче питания гонит данные на UART. То, что у меня получилось (собранное на макетке) из квартиры не ловит, но только вынес за окошко - сразу поймал 7 спутников и выдал правильные координаты :D . Если сделать плату нормально, то должно везде ловить. Вот, что народ советует:

СВЧ - штука нежная и капризная. То, что относится к антенне, должно быть выполнено с соблюдением всех требований. Ну, можно сделать "на коленке", в конце концов, металлизацию между сторонами можно и прошивкой проводом сделать, но все ж - линия с нормированным волновым сопротивлением (для 50-омной линии на 1.6 mm текстолите - ширина 2.9 mm, землю "прошить", на дырках не экономить), посмотреть какой-нибудь референс для GPS (у ublox, например, прилично разрисовано, насколько помню). Я вот уложил на макетке пассивную антенну впритык к EB-500 - ничего не видит. Вынес ее на несколько сантиметров - сквозь стенку увидел...


И по питанию:
SMD, набрать 100+1000+u10+танталовый электролит. По даташиту в цифре 10n+электролит, в аналоге 100 pF+электролит. Для вящей уверенности набрать разных. "Землю" не жалеть. Макетку - сделать самому (резаком вполне процарапать можно). Не "сопливить" на стандартных 1/10" дырках тонким проводом, это верный путь к геморрою...


С даташитами у них странно дело обстоит - везде разные и один короче другого :) Вот самый полный из попавшихся вариантов:
EB-230.pdf
(392.08 КиБ) Скачиваний: 0


Программка, которая парсит данные с uart есть сдесь: http://www.transystem.com.tw/product.php?b=G&m=pe&cid=4&sid=&id=62 называется EB-view(за ней - google maps).

eb-230-4.jpg

eb-230-1.jpg

eb-230-2.jpg

eb-230-3.jpg

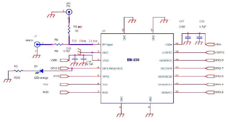
Подключение из даташита:
eb-230-5.gif


Разводка:
eb-230.zip
(2.28 КиБ) Скачиваний: 0


Заказывал на
http://www.kontest.ru/catalog/search/?q=eb-230 672 рубля
и активная антенна ANT GPS HM-NZ04 UFL-F 10CM за 268рэ.
seraf
 
Сообщения: 50
Зарегистрирован: 18 сен 2009, 15:46
Откуда: Ростов-на-Дону

Re: GPS модуль EB-230

Сообщение avr123.nm.ru » 16 июн 2010, 02:32

Хорошие модули, там новый чипсет - MTK вроде.
Читайте !
Аватара пользователя
avr123.nm.ru
отсылающий читать курс
 
Сообщения: 14195
Зарегистрирован: 06 ноя 2005, 04:18
Откуда: Москва

Re: GPS модуль EB-230

Сообщение Lockdog » 21 июн 2010, 21:51

Крутяк! Молодец, а главное что обвязка вообще простейшая)
Аватара пользователя
Lockdog
 
Сообщения: 650
Зарегистрирован: 06 июл 2006, 20:42
Откуда: Москва
прог. языки: C/C++, Python

Re: GPS модуль EB-230

Сообщение Drunya » 23 июн 2010, 16:04

Какая у Вас антенна? Похоже на HM-NZ04 UFL-F.
Тоже хочу побаловаться с чем-то из вот этого: http://www.hoperf.com/rf_fsk/gps.htm. У нас они немного дешевле чем EB-230.
Глюк по-немецки означает "счастье"...
Аватара пользователя
Drunya
 
Сообщения: 196
Зарегистрирован: 05 июн 2007, 12:20
Откуда: Киев
прог. языки: C/C++, ASSEMBLER

Re: GPS модуль EB-230

Сообщение pronin » 10 авг 2010, 09:23

Здравствуйте.
Не стал создавать новую тему, т.к. вопрос в эту тему EB-230.

Подскажите, кто работал с подобными девайсами или имеет что сказать по данной теме.

В датащите на EB-230 сказано, что Supply Voltage 3V+-10%, насколько критично напряжение 3V? Насколько опасно подать питание 3,3V – т.е. в притык к max. Мне просто надо будет коммутировать его с МК, где питание 3,3V.
Или EB230 питать тремя, а с МК (3,3V) коммутировать без задней мысли? Или через транзистор, стабилитрон, резистор – т.е. придется что-то городить?

Обязательна ли двухсторонняя металлизация с прошивкой? Может быть будет достаточно массивной односторонней металлизации?

Необходимо ли соблюдать параметры линии с волновым сопротивлением, если я использую активную антенну? Может быть просто поставить коннектор активной антенны впритык к микрухе (EB230)?

Заранее СПС.
pronin
 
Сообщения: 12
Зарегистрирован: 18 авг 2009, 15:29
Откуда: Бишкек
прог. языки: С,С++,asm

Re: GPS модуль EB-230

Сообщение galex1981 » 10 авг 2010, 10:32

Насколько из спецификации видно, питание через стабилизатор 3,0 В идет на модуль. По поводу логических входов/выходов, можно их коммутировать непосредственно с МК - 10% колебания напряжения допускаются (не знаю как другие МК, у АВР логическая 1 около 3 В)
if(!Operate) Read(pDatasheet);
Аватара пользователя
galex1981
 
Сообщения: 4363
Зарегистрирован: 04 дек 2008, 22:44
Откуда: Камышин
Skype: galk-aleksandr1
прог. языки: Kotlin, Java, C, C++, Assm, BasCom, VB, php
ФИО: Галкин Александр Владимирович

Re: GPS модуль EB-230

Сообщение pronin » 10 авг 2010, 17:12

Еще один вопрос в догонку.
На схеме подключения EB230 указаны резисторы R5 R6 (сидят на линии антенны) у которых по подписям на схеме наминал R0. Это ошибка? В чем их смысл?
pronin
 
Сообщения: 12
Зарегистрирован: 18 авг 2009, 15:29
Откуда: Бишкек
прог. языки: С,С++,asm

Re: GPS модуль EB-230

Сообщение Сергей » 10 авг 2010, 17:35

R0 - это перемычка-резистор.
Сергей
 
Сообщения: 3744
Зарегистрирован: 29 дек 2004, 23:15
Откуда: Санкт-Петербург
прог. языки: C, C++, C#, Asm
ФИО: Кашликов Сергей

Re: GPS модуль EB-230

Сообщение pronin » 10 авг 2010, 18:45

Сергей писал(а):R0 - это перемычка-резистор.

Ясно
pronin
 
Сообщения: 12
Зарегистрирован: 18 авг 2009, 15:29
Откуда: Бишкек
прог. языки: С,С++,asm

Re: GPS модуль EB-230

Сообщение Sniuk » 22 сен 2010, 18:11

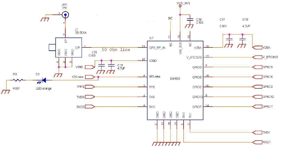
Clipboard01.jpg

А вот в EB-500 уже не используются никакие 0 Ом сопротивления, я так и не понял зачем там перемычки ставить. Вместо этого там стоит какой-то 25-501A, может кто-нибудь подскажет что это? И можно ли без него, антенну что выше припаять прям к линии?
Аватара пользователя
Sniuk
 
Сообщения: 8
Зарегистрирован: 30 авг 2010, 17:18
Откуда: Новосибирск


Вернуться в Наши проекты

Кто сейчас на конференции

Сейчас этот форум просматривают: нет зарегистрированных пользователей и гости: 0

cron