roboforum.ru

Технический форум по робототехнике.


Машинка, самосборная, для эксперементов.

Наше хобби — конструировать и программировать.
Демонстрация готовых роботов и устройств построенных своими руками.

Машинка, самосборная, для эксперементов.

Сообщение RoboTok » 12 фев 2008, 09:57

Всем привет.

Сделал для интереса машинку.
Управление делаю на ИК джойстике.
Фотки и схемы ниже.
Вложения
SS850484.jpg
Фотография машинки.
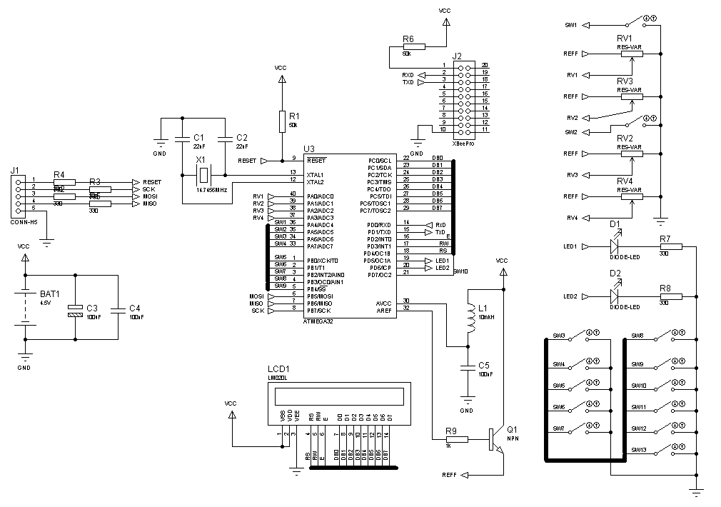
plata3.gif
Схема джойстика, как бы рабочая.
plata3.gif (8.37 КиБ) Просмотров: 16798
plata1.gif
Схема контроллера, рабочая 100%
Аватара пользователя
RoboTok
 
Сообщения: 1060
Зарегистрирован: 04 фев 2008, 13:18
Откуда: Москва
прог. языки: PHP

Re: Машинка, самосборная, для эксперементов.

Сообщение -= Александр =- » 12 фев 2008, 10:07

Ниче так, душевно! пожалуй рекорд по диаметру колес... :wink:

Кстати как управление? Часто связь рвется?
Ниндзя - круче всех. Они умеют ходить по воде, делить на ноль и угадывать шаффл в АйПоде.
Аватара пользователя
-= Александр =-
Мастер Самоделкин
 
Сообщения: 3678
Зарегистрирован: 11 окт 2004, 19:20
Откуда: Россия, СПб
прог. языки: C/C++, Python, asm
ФИО: Курмис Александр Андреевич

Re: Машинка, самосборная, для эксперементов.

Сообщение RoboTok » 12 фев 2008, 11:49

-= Александр =- писал(а):Кстати как управление?


Увы управление пока не доделано.
Сейчас пишу софт для передатчика и приёмника.

Диаметр колёс 250мм, а машинка должна быть на 4 колёсах, пока эконом вариант для экспериментов.
Кстати совет тем, кто хочет использовать от ВАЗа стеклоподъёмники или стеклоочистители, не делайте этого :crazy:
Червячный редуктор не подходит для шасси и низкое качество двигателя. Его бъёт и он шумит, кушает больше 6 Ватт, как написано на нём.
Есть шуруповёрты, там двигатель с редуктором на 12 вольт. Новый стоит ~600р., а стеклоочиститель 450р.
Аватара пользователя
RoboTok
 
Сообщения: 1060
Зарегистрирован: 04 фев 2008, 13:18
Откуда: Москва
прог. языки: PHP

Re: Машинка, самосборная, для эксперементов.

Сообщение MegaBIZON » 12 фев 2008, 15:55

хехе...
здоровая лошадь :)
Аватара пользователя
MegaBIZON
 
Сообщения: 6285
Зарегистрирован: 12 янв 2007, 00:34
Откуда: Масква

Re: Машинка, самосборная, для эксперементов.

Сообщение RoboTok » 14 фев 2008, 02:16

Схема джойстика оказалась нерабочая.
Частота МК сильно гуляет, напруга скачет очень сильно.
С ноги транзистором невыходит управлять, надо ставить резик на 1кОм.
Кнопка не нужна, если поставить резистор 1кОм.
Чтоб МК не глючило ставить надо конденсатор большой, я поставил 470мкФ и он перестал глючить.
Кнопку я зря повесил на вывод RESET МК :crazy:
Светодиод пришлось убрать т.к. пульсации даёт сильные по питанию.

Буду рад советам по увеличению стабильности работы МК и советам по фюзам для него.

Так же нужны советы по увеличению угла ИК приёмника и дистанции приёма сигнала.
Вообще хочется управлять машинкой без беготни за ней и нацеливания на ИК приёмник.
Аватара пользователя
RoboTok
 
Сообщения: 1060
Зарегистрирован: 04 фев 2008, 13:18
Откуда: Москва
прог. языки: PHP

Re: Машинка, самосборная, для эксперементов.

Сообщение -= Александр =- » 14 фев 2008, 05:49

Без кварца стабильной частоты не получишь!
А про напругу - питай все от 9 вольт, а питание проца делай через 7805. Заодно и диодов в параллель по-больше воткнешь, чтоб от 9 вольт запитать! :wink:
Ниндзя - круче всех. Они умеют ходить по воде, делить на ноль и угадывать шаффл в АйПоде.
Аватара пользователя
-= Александр =-
Мастер Самоделкин
 
Сообщения: 3678
Зарегистрирован: 11 окт 2004, 19:20
Откуда: Россия, СПб
прог. языки: C/C++, Python, asm
ФИО: Курмис Александр Андреевич

Re: Машинка, самосборная, для эксперементов.

Сообщение RoboTok » 24 фев 2008, 12:56

Короче проблемы питания ещё были из-за диода Д2 у передатчика.

ИК диод был дохлый и из-за этого я зря много времени потерял.

Резистор Р1 330 Ом слишком большой и ток на ИК диод не поступал.
Поставил 22 Ома и стало норм 40мА. Думаю 10 Ом при импульсной нагрузке было бы ещё лучше. И ток был бы почти 100 мА.

Приём стал хороший и даже TSOP ловил 180 градусов без проблем, но всё равно приходится бегать за машинкой. Да и разворот сделать на месте сложно.
Пакетный режим не смог сделать, чтоб сразу передавать байт кода, а сделал 4 команды кодированные длинной импульса.

Короче делать буду радио управление + джойстик куплю от ПК.

Если у кого есть наработки и идеи по переделки USB джойстиков на радио, то помогите плиз.

Ниже кидаю программы для джойстика и машинки.
Вложения
z2.rar
передатчик
(1.54 КиБ) Скачиваний: 122
z1.rar
приёмник
(2.15 КиБ) Скачиваний: 108
Аватара пользователя
RoboTok
 
Сообщения: 1060
Зарегистрирован: 04 фев 2008, 13:18
Откуда: Москва
прог. языки: PHP

Re: Машинка, самосборная, для эксперементов.

Сообщение RoboTok » 10 мар 2008, 20:56

Сделал радиоканал.

Работает без антенны в пределах комнаты.
Заказал антенны, будут завтра.

Сейчас начну переделывать джойстик на нормальный с рычагами и экранчиком LCD.
Вложения
SS850501.jpg
sxemperexodnik.gif
sxemperexodnik.gif (9.48 КиБ) Просмотров: 15934
Аватара пользователя
RoboTok
 
Сообщения: 1060
Зарегистрирован: 04 фев 2008, 13:18
Откуда: Москва
прог. языки: PHP

Re: Машинка, самосборная, для эксперементов.

Сообщение EdGull » 10 мар 2008, 20:58

ай-ай-ай... такую зверюгу сделал,а город так и незаполнил...
Аватара пользователя
EdGull
 
Сообщения: 10211
Зарегистрирован: 28 дек 2004, 20:33
Откуда: Тольятти
Skype: Ed_Gull
прог. языки: Bascom AVR Basic
ФИО: Гуль Эдуард Викторович

Re: Машинка, самосборная, для эксперементов.

Сообщение RoboTok » 11 мар 2008, 19:03

Купил джойстик, но есть сомнения, что туда влезит всё.
Вложения
SS850503.jpg
SS850502.jpg
Аватара пользователя
RoboTok
 
Сообщения: 1060
Зарегистрирован: 04 фев 2008, 13:18
Откуда: Москва
прог. языки: PHP

Re: Машинка, самосборная, для эксперементов.

Сообщение RoboTok » 13 мар 2008, 13:05

Накидал схему.
Если что где не так пишите.
Вложения
dj1.gif
Аватара пользователя
RoboTok
 
Сообщения: 1060
Зарегистрирован: 04 фев 2008, 13:18
Откуда: Москва
прог. языки: PHP

Re: Машинка, самосборная, для эксперементов.

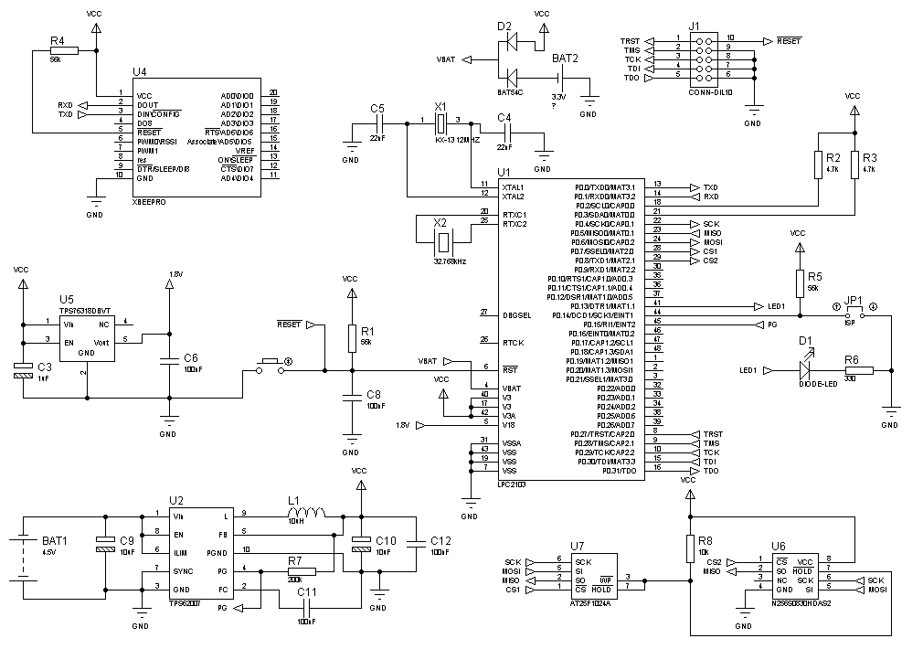
Сообщение RoboTok » 14 мар 2008, 14:23

Переделал немного схему, т.к. не хватало выводов у МК.
Жду советов и предложений по схеме.
Вложения
dj2.gif
Аватара пользователя
RoboTok
 
Сообщения: 1060
Зарегистрирован: 04 фев 2008, 13:18
Откуда: Москва
прог. языки: PHP

Re: Машинка, самосборная, для эксперементов.

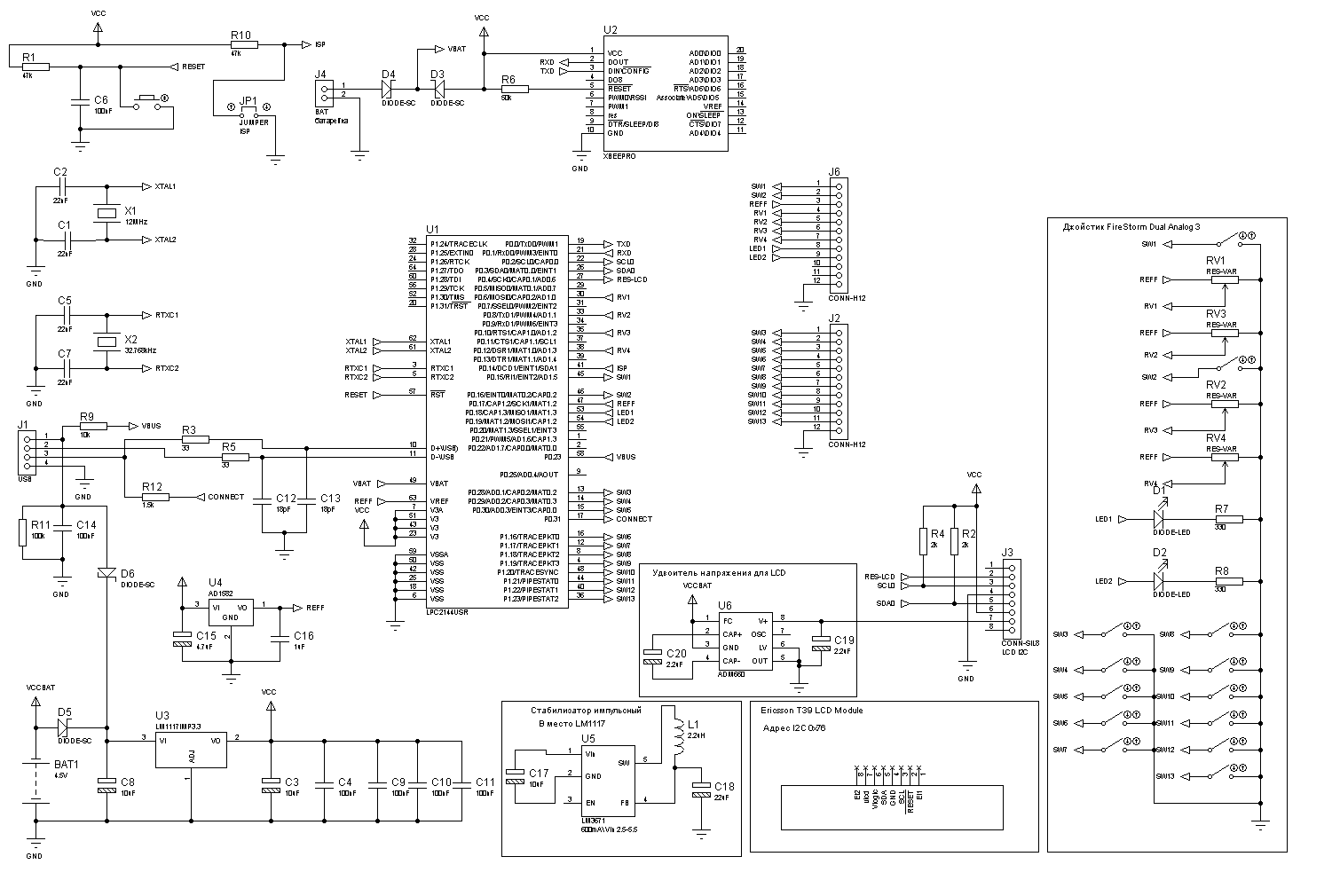
Сообщение RoboTok » 16 мар 2008, 22:22

Добавил Инвертер для LCD и сам LCD Ericsson T39.
Накидал для примера импульсный стабилизатор на 3.3 вольта.
Добавил USB для питания и может в будущем для связи.
Поставил генератор опорного напряжения.

Если будут какие замечания и советы, то пишите я буду очень рад.
Аватара пользователя
RoboTok
 
Сообщения: 1060
Зарегистрирован: 04 фев 2008, 13:18
Откуда: Москва
прог. языки: PHP

Re: Машинка, самосборная, для эксперементов.

Сообщение RoboTok » 29 мар 2008, 19:23

Продолжение.

Сделал плату для джойстика.
Вложения
dj43.gif
SS850527.jpg
Аватара пользователя
RoboTok
 
Сообщения: 1060
Зарегистрирован: 04 фев 2008, 13:18
Откуда: Москва
прог. языки: PHP

Re: Машинка, самосборная, для эксперементов.

Сообщение MegaBIZON » 29 мар 2008, 23:02

Матёрый подход :good:
Аватара пользователя
MegaBIZON
 
Сообщения: 6285
Зарегистрирован: 12 янв 2007, 00:34
Откуда: Масква

След.

Вернуться в Наши проекты

Кто сейчас на конференции

Сейчас этот форум просматривают: нет зарегистрированных пользователей и гости: 0

cron