Всем привет.
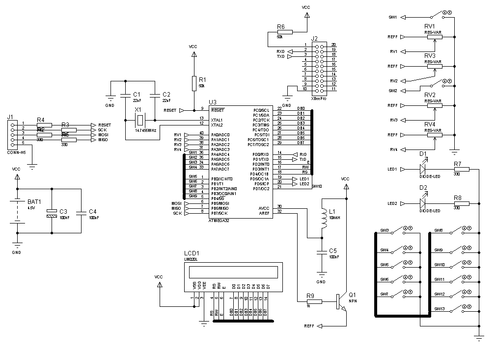
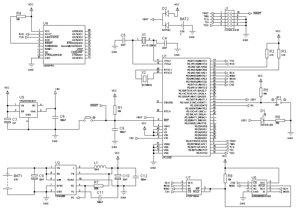
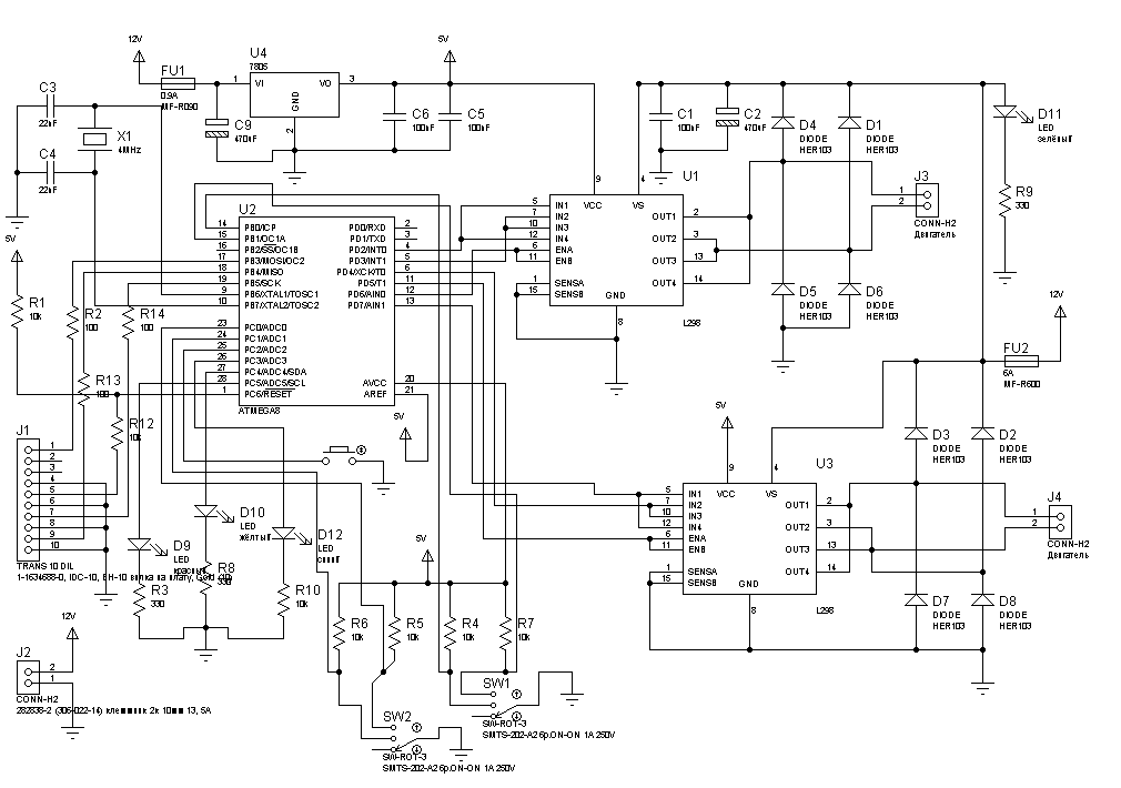
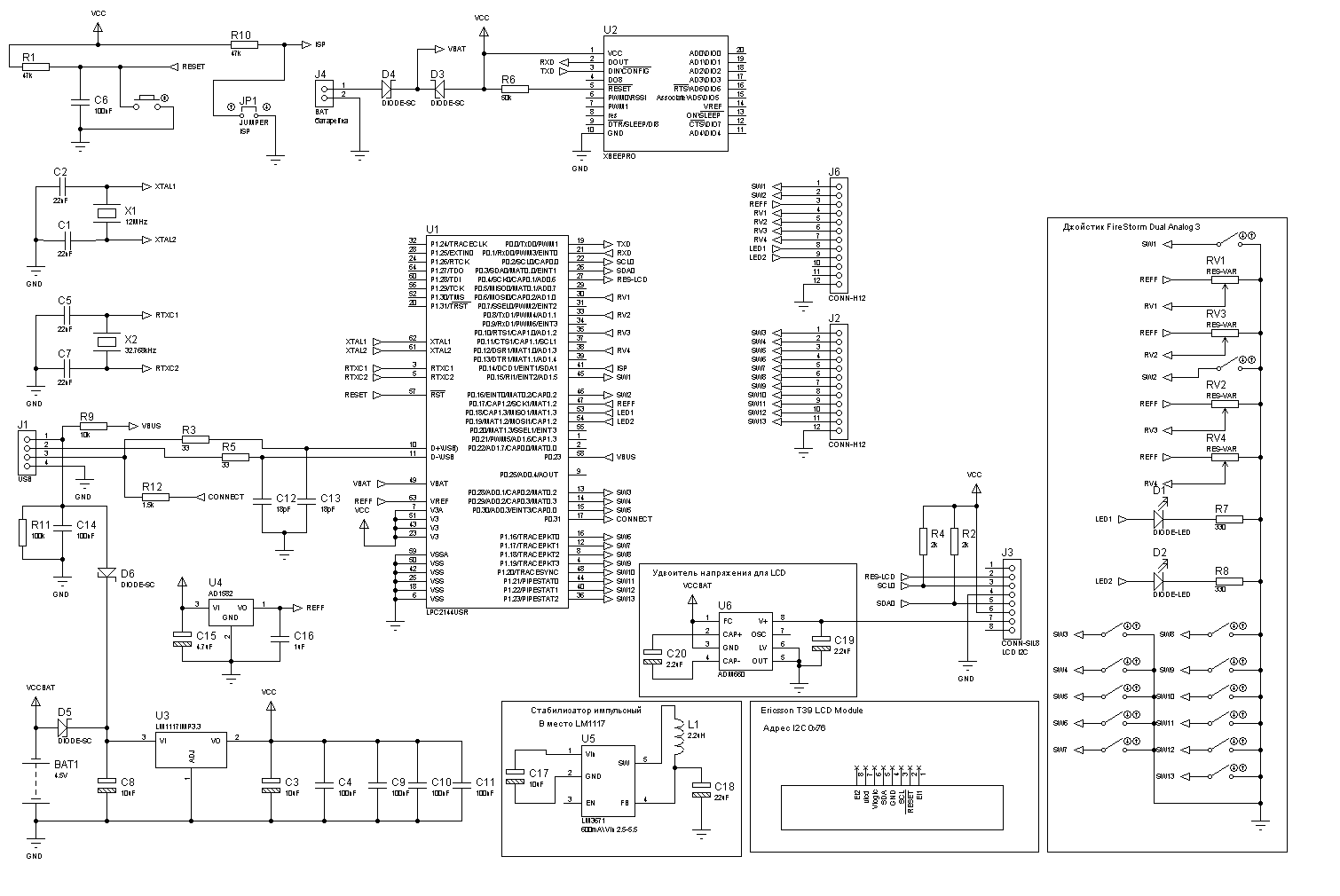
Сделал для интереса машинку.
Управление делаю на ИК джойстике.
Фотки и схемы ниже.
![]() |
roboforum.ruТехнический форум по робототехнике. |
|
-= Александр =- писал(а):Кстати как управление?



Сейчас этот форум просматривают: нет зарегистрированных пользователей и гости: 10