roboforum.ru

Технический форум по робототехнике.


Машинка

Наше хобби — конструировать и программировать.
Демонстрация готовых роботов и устройств построенных своими руками.

Re: Машинка

Сообщение CamAvt » 02 май 2014, 20:06

Angel71 писал(а):от 3х аа аккумуляторов питать серву, мотор и ещё использовать этот l298 :) жесть. из древних кроме 298й ещё есть 293я. ещё есть куча современных драйверов моторов, поберегите аккумуляторы. аккумуляторов лучше бы 6шт.

Ну да от трёх аккумуляторов и с этим L298. Аккумуляторы буду беречь )
CamAvt
 
Сообщения: 14
Зарегистрирован: 28 июн 2013, 21:32
Откуда: Тверь, Зеленоград

Re: Машинка

Сообщение Angel71 » 02 май 2014, 21:40

ещё раз и с начала. насколько мне известно, литиевых в типо-размере аа не существует. есть очень похожие 14500 и другие. т.е. у вас или не аа или не 3.7в. 3 литиевых в 14500 это примерно 7-12ватт, что для сервы и мотора немного маловато. ну это дело ваше, устраивает, так устраивает. а теперь гвозди. с l298 очень много энергии уйдёт в тепло. стабилизатор lm317 способен выдать 1.5а, что маловато. схемы защиты аккумуляторов у вас просто нет. тут всё просто или не используйте литиевые или готовьтесь очень быстро выкинуть их в мусорник.
Аватара пользователя
Angel71
 
Сообщения: 10668
Зарегистрирован: 18 апр 2009, 22:18
Предупреждения: -1

Re: Машинка

Сообщение CamAvt » 02 май 2014, 22:20

Аккумуляторы литий-ионные, верно определили, размер 18650 (на 2 поста выше не то написал), ёмкостью 2,4Ач(это китай, поэтому меньше). От трёх штук будет получается около 27Вт. По потреблению тока... прикинул, что на схему нужно порядка 0,6 А(в нормальном режиме работы). Больше 1,5 А может потребоваться при коммутации. сгорит LM? Видел что есть LM сразу делает 5 В. Только регулируемая у меня в наличии. Скорее всего приобрету другую.
L298 выбрал только потому что про них все пишут..
И про схему защиты аккумуляторов: у них вроде написано есть встроенная. Только от чего? От КЗ и сильного разряда?
Альтернативу драйверу нашёл у TI. Но это на будущее, посылка идёт с комплектующими, подобранными первоначально.
CamAvt
 
Сообщения: 14
Зарегистрирован: 28 июн 2013, 21:32
Откуда: Тверь, Зеленоград

Re: Машинка

Сообщение CamAvt » 15 окт 2014, 22:27

Всем привет!
Некие подвижки появились у проекта.
-Пришли комплектующие, собрана макетка
-Доработана программа на дуине
-Наваял что-то на андроиде.
Всё это дело поехало (для видео к сожалению нет второго телефона под рукой)
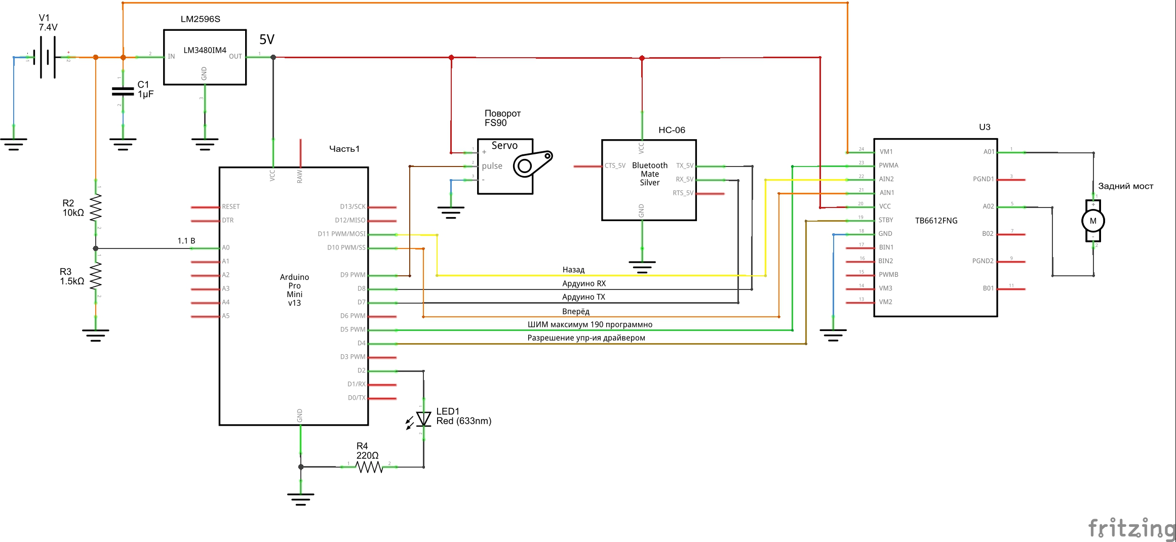
Схему прикрепляю (комплектующие нашёл довольно миниатюрные)
Думаю всё это дело паять на плату.
Вложения
avto-ardu_схема.jpg
Схема
IMG112.jpg
Макетка
CamAvt
 
Сообщения: 14
Зарегистрирован: 28 июн 2013, 21:32
Откуда: Тверь, Зеленоград

Re: Машинка

Сообщение Angel71 » 16 окт 2014, 00:00

есть как минимум 3 небольших косячка. :) хотя пока это и не важно.
Аватара пользователя
Angel71
 
Сообщения: 10668
Зарегистрирован: 18 апр 2009, 22:18
Предупреждения: -1

Пред.

Вернуться в Наши проекты

Кто сейчас на конференции

Сейчас этот форум просматривают: нет зарегистрированных пользователей и гости: 0

cron