Есть потребность контролировать 14 серверов видеонаблюдения, т.е. знать - включены ли,есть ли питание.
Если питание есть, но не работает, то дистанционно включить, или выключить.
Связаны все компьютеры сетью, через нее и хочется управлять процессом.
Собрал на столе макет, он уже работает, на болидовских приборах Сигнал-10http://www.bolid.ru/production/devices/devices_169.html + С2000 Ethernet http://www.bolid.ru/production/devices/devices_155.html + блок питания с аккумулятором.
Работает как часы, но хочется большего.
Хочется дешевле, потому как два прибора = 3,5 - 4 т.р., думаю если использовать Arduino + Ethernet shild выйдет дешевле.
Накидал вот такой проект :
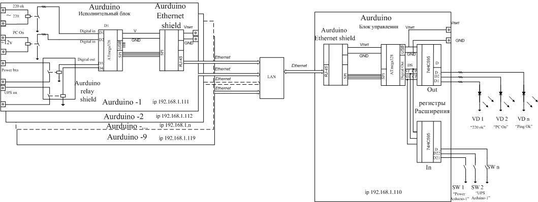
Назначение схемы.
Система предназначена для контроля за наличием сетевого питания 220 в., состоянием компьютеров (включен/выключен) и управления (включение и выключение) компьютеров в серверных комнатах видеонаблюдения.
Так же система производит запрос (ping ) серверов наблюдения,
Индикация
Наличие питания 220 В в серверных комнатах, состояние компьютеров и доступность компьютера в сети отображается светодиодами на блоке управления.
Всего 9 серверных комнат, с 14 компьютерами.
Все компьютеры объединены локальной сетью Ethernet.
Конструкция, основные узлы схемы.
Система состоит из исполнительного блоков, размещенных в серверных комнатах и блока управления и индикации, на который поступает информация с исполнительных блоков
Исполнительный блок и блок управления выполнены на МК Aurduino, для обмена сообщениями между блоками используется шильдыArduino Ethernet.
Исполнительный блок.
Для контроля за наличием напряжения в сети 220 вольт и работы компьютера используются реле соответственно на 220 и 12 вольт, контакты которых подключены к цифровым входам Arduino D1 и D2 исполнительного блока.
Цифровые выходы D3 и D4 исполнительного блока управляют кнопкой включения компьютера « Power button” и кнопкой включения ББП через “Relay Shied”.
Для передачи информации между исполнительными блоками и управляющем, используются Ethernet Shield.
Управляющий блок.
Управляющий блок состоит из МК Aurduino, сетевого интерфейса Arduino Ethernet, регистра расширения входов - выходов и светодиодов VD индикации сетевого питания 220 в, работы компьютера а так же его сетевой доступности.
Нажимные кнопки SW подключены к регистру расширения входов и предназначены для включения и выключения компьютера и ББП исполнительным блоком.
Функционирование схемы.
Блок управления устанавливает соединение с исполнительными блоком, через Arduino Ethernet, опрашивает состояние входов и проверяет отклик на команду Ping соответствующий сервер наблюдения.
В случае отсутствия сигнала на входе исполнительного реле(D1,D2) отключается соответствующий светодиод блока управления VD.
При нажатии на кнопку SW блока управления срабатывает соответствующее реле исполнительного блока, и включается/отключение компьютер либо Блок Бесперебойного питания.
Затем соединение закрывается, и устанавливается новое со следующим исполнительным блоком."
Я знаю что Ethernet shield одновременно поддерживает до 4-х подключений,
а можно ли последовательно 9 контроллеров через Ethernet опрашивать?
Как лучше запитать от 12 вольт. блока бесперебойного питания?


