Вот такой движок?

- dp40.gif (7.53 КиБ) Просмотров: 2404

- dp40.jpg (7.97 КиБ) Просмотров: 2422
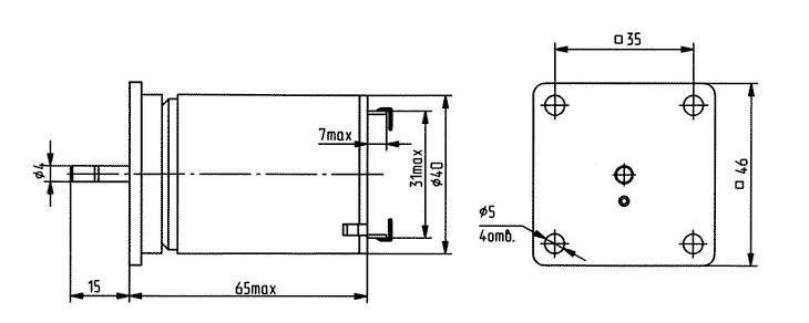
ЭЛЕКТРОДВИГАТЕЛЬ КОЛЛЕКТОРНЫЙ ДП40-3-5,5 (
ссылка)
Армавирский электротехнический завод.
ТЕХНИЧЕСКИЕ ХАРАКТЕРИСТИКИСтепень защиты: IP3X
Способ охлаждения двигателей: IC00
Климатическое исполнение: УХЛ 5.1
По способу монтажа: IM3021
Режим работы: S1 - продолжительный
Номинальная мощность, Вт: 3
Напряжение питания, В: 12
Номинальный потребляемый ток, А: 0,63
Номинальная частота вращения, об/мин: 5500
К.П.Д.,%: 40
Отношение начального пускового момента к номинальному: 5
Средний уровень звука, дБА: 47
Среднее квадратическое значение виброскорости, мм·с-1: 2,8
Масса, кг: 0,25
Чем мне нравятся наши производители - параметров много указывают всегда. Массу, например.
А традиция не обязательная, если фотика нету