забористый такой
старт-комплект есть
здесь и
здесь (часто почему-то именно об этих проектах забывают, хотя, на мой взгляд, лучше для новичка просто нет. лучше делать с танковым шасси - своеобразный "запас" на будущее)
в конце будет что-то эдакое:

плюс к тому, что есть в статье нужен будет
программатор:

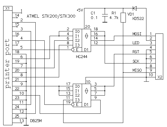
- stk-200, служит хозяину верой и правдой вот уж несколько лет
- 07_avrprog.png (5.1 КиБ) Просмотров: 2639
+ для сборки необходимы: кабель LPT-принтер и маленькая макетная плата.
естественно следует прикупить
инструменты и расходники:
(_недедушкино_ паяло, флюс, припой), (макетный нож, кабель для монтажа, термоусадку, опционально круглогубцы и бокорезы). для любой микросхемы в dip корпусе (а именно такими вы и будете пользоваться) обязательна покупка кроватки - без неё по первое время можно пожечь кристалл.
и ещё советую
сразу прикупить разъемчиков и шлейфов побольше - позволит сэкономить кучу времени и добавит мешок эстетического наслаждения. у меня в ходу IDC-10 и ответка BH-10R или BH-10 (постфикс R говорит о прямом угле, т.е. разъем будет "лежать" на плате). даже не представляю как без них жил

кстати, те же шлейфы можно "разобрать" на проводки для макетирования, но мне они не понравились из-за толстой изоляции (мешает, когда проводов скапливается несколько слоев), а ещё они алюминиевые :TARFU:.
опционально (ненужный дешевый стафф, который сильно облегчает жизнь):
- пятак-десятка простетских светодиодов для индикации
- 5 ик-фототранзисторов и ик-светодиодов для лайнтрейсера и энкодеров
- супер штучки:
- выключатели и кнопочки
- говорят, что классно выручают эти самые белые платки, утыканные разъемами. плюс от них конечно есть, но лично я как-то не использую
вроде ничего не забыл
P.S. вместо покупки l293d можно использовать стоковый h-мост от китайцев.
Добавлено спустя 8 минут 23 секунды:P.P.S. кстати, Воронеж нифига не деревня, лучше поищите местные магазины