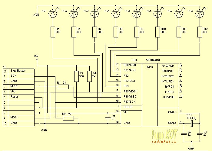
помогите пожалуйста разобраться с программатором atavrisp2. от него идет вот такой контакт. вопрос: что там miso, mosi, gnd и тд. ???

за последнюю неделю поисков я нашел всего одну картинку:на ней верхний левый разъем был miso и разьем был обазначен квадратиком. а остальные разьемы были круглыми. но у меня помоему все КВАДРАТНЫЕ)) или нет

с программатором книжки не было. в инете есть что это за программатор, как работает и т.д. а про разъем хоть бы слово кто написал
