roboforum.ru

Технический форум по робототехнике.


Нужен спец по проектированию и изготовлению контроллеров

Предложение о работе и сотрудничестве на коммерческой основе

Re: Нужен спец по проектированию и изготовлению контроллеров

Сообщение Alex_Sor » 30 май 2008, 10:39

Myp писал(а):
Alex_Sor писал(а):3) вы хотите сделать электронику для управления электромобилем с помощью человека который не в состоянии для графического дисплея написать код? :D


Я достаточно насмотрелся на убожества под названием "дизайн рисовали программисты" :(
писание программ и рисование красивостей на экране - это совсем разные вещи - я именно про это говорил...

в пути на дисплей нужно выводить скорость (три большие цифры), а еще хочется ток нагрузки как-то... и какие-то пиктограммки состояний - кто все это :
1) красиво нарисует попиксельно(!),
2) запрограммирует в контроллер так чтобы AVR-у еще и время осталось чем-то полезным управлять, кроме картинок на экране :(

...я так понял тут тоже социофилы собрались - куча советов "как сделать" но ни одного человека который реально-бы взялся мне помочь :( ... грустно...
Аватара пользователя
Alex_Sor
 
Сообщения: 42
Зарегистрирован: 20 май 2008, 14:14
Откуда: Киев
прог. языки: ASM, C

Re: Нужен спец по проектированию и изготовлению контроллеров

Сообщение EdGull » 30 май 2008, 10:53

к сожалению такова жизнь... :pardon:
я вот когда проект минибота начинал разрабатывать, думал реального интереса на несколько порядков больше будет.
Аватара пользователя
EdGull
 
Сообщения: 10211
Зарегистрирован: 28 дек 2004, 20:33
Откуда: Тольятти
Skype: Ed_Gull
прог. языки: Bascom AVR Basic
ФИО: Гуль Эдуард Викторович

Re: Нужен спец по проектированию и изготовлению контроллеров

Сообщение Myp » 30 май 2008, 11:26

1) я утверждаю что все возможные красивые попиксельные значки для всего что угодно уже давно нарисованы до вас и до нас и лежат в открытом доступе любые символы под любые нужды
а если будете отрицать я вас клавиатурой стукну :P
к тому же причём тут значки, посмотрите на картинки, сплошные прогресбары и буквенные обозначения
2)вам чо жалко 10 баксового контроллера для дисплея?? для десятка зарядников не жалко а для одного дисплея жалко... :D

не так уж и ужасно на мой взгляд...
много страничек, на каждой выведена инфа по одной тематике, можно смотреть либо по очереди странички либо на одной страницу сокр. общую инфу
(три большие цифры)
это вы на символьном дисплее хотите 3 большие цыфры вывести???
спешу вас огорчить, все цифры там стандартно крошечные =)

Изображение
Изображение
Изображение
...я так понял тут тоже социофилы собрались - куча советов "как сделать" но ни одного человека который реально-бы взялся мне помочь :( ... грустно...

я не социофил я мизантроп

а если не нравятся советчики то щас быстренько всё удалим кроме первого поста, мы никому специально мешать не собирались
<telepathmode>На вопросы отвечает Бригадир Телепатов!</telepathmode>
Всё уже придумано до нас!
Аватара пользователя
Myp
скрытый хозяин вселенной :)
 
Сообщения: 18018
Зарегистрирован: 18 сен 2006, 12:26
Откуда: Тверь по прозвищу Дверь
прог. языки: псевдокод =) сила в алгоритме!
ФИО: глубокоуважаемый Фёдор Анатольевич

Re: Нужен спец по проектированию и изготовлению контроллеров

Сообщение Alex_Sor » 30 май 2008, 11:38

Myp писал(а):1) я утверждаю что все возможные красивые попиксельные значки для всего что угодно уже давно нарисованы до вас и до нас и лежат в открытом доступе любые символы под любые нужды
а если будете отрицать я вас клавиатурой стукну :P


:) а где лежат для электромобиля ? :)

кстати - а где взять такие красивые картинки ? у меня тоже Logitech G15 клавиатура - хочу и себе такое :) ...

Народ - так мы будем что-то руками делать или поговорили и разбежались ?
Аватара пользователя
Alex_Sor
 
Сообщения: 42
Зарегистрирован: 20 май 2008, 14:14
Откуда: Киев
прог. языки: ASM, C

Re: Нужен спец по проектированию и изготовлению контроллеров

Сообщение Master » 30 май 2008, 11:46

Конечно, руками разводить, такой проект удаленно не решается.
Аватара пользователя
Master
 
Сообщения: 4468
Зарегистрирован: 21 дек 2006, 19:56
Откуда: Украина, г.Одесса
прог. языки: Delphi и С

Re: Нужен спец по проектированию и изготовлению контроллеров

Сообщение Myp » 30 май 2008, 13:49

Alex_Sor писал(а)::) а где лежат для электромобиля ? :)
кстати - а где взять такие красивые картинки ? у меня тоже Logitech G15 клавиатура - хочу и себе такое :) ...

1. в электромобилях какието специальные значки для изображения стандартных аккумуляторов\моторов?
назовите хоть одну хрень уникальную которую изобрели именно для электромобиля и которая больше нигде не используется)
2. приду домой дам ссылки на плугины и сайты, если не забуду.
я себе поставил один оч навороченный который в себе всё всё совмещает и моргает подсветкой в такт музыке)

мы будем что-то руками делать или поговорили и разбежались ?

да, это форум, тут тока говорить можно)
а делать руками будут те кто договорятся лично с автором и нам эта сторона неведома
<telepathmode>На вопросы отвечает Бригадир Телепатов!</telepathmode>
Всё уже придумано до нас!
Аватара пользователя
Myp
скрытый хозяин вселенной :)
 
Сообщения: 18018
Зарегистрирован: 18 сен 2006, 12:26
Откуда: Тверь по прозвищу Дверь
прог. языки: псевдокод =) сила в алгоритме!
ФИО: глубокоуважаемый Фёдор Анатольевич

Re: Нужен спец по проектированию и изготовлению контроллеров

Сообщение Alex_Sor » 30 май 2008, 13:53

я все еще жду кто откликнется для конкретной работы по моей теме...
Аватара пользователя
Alex_Sor
 
Сообщения: 42
Зарегистрирован: 20 май 2008, 14:14
Откуда: Киев
прог. языки: ASM, C

Re: Нужен спец по проектированию и изготовлению контроллеров

Сообщение RoboTok » 30 май 2008, 14:18

Мур вам уж сказал, если кто будет готов писканёт вам.

А я б с удовольствием пообсуждал ЭМ в передышках пока пишу программу управления двигателями для своего ЭМ ;)
Кстати, контроллер, который я сделал, рассчитан на 10-15А 48В и того более 500 Вт. Для мелких ЭМ вполне хватит.
Так, что если вас пугает слово "бюджет" можете взять готовый драйвер, прошивку я тоже выложу :ROFL:
Аватара пользователя
RoboTok
 
Сообщения: 1060
Зарегистрирован: 04 фев 2008, 13:18
Откуда: Москва
прог. языки: PHP

Re: Нужен спец по проектированию и изготовлению контроллеров

Сообщение Alex_Sor » 30 май 2008, 14:24

RoboTok писал(а):Мур вам уж сказал, если кто будет готов писканёт вам.

А я б с удовольствием пообсуждал ЭМ в передышках пока пишу программу управления двигателями для своего ЭМ ;)
...
Так, что если вас пугает слово "бюджет" можете взять готовый драйвер, прошивку я тоже выложу :ROFL:


"бюджета который надо проесть" у меня нет :)
у меня есть необходимые деньги и желание создать такое вот устройство(первый пост в этой ветке).

если кого-то интересуют электровоелосипеды и электромобили - прошу сюда:
http://electrotransport.ru/
Аватара пользователя
Alex_Sor
 
Сообщения: 42
Зарегистрирован: 20 май 2008, 14:14
Откуда: Киев
прог. языки: ASM, C

Re: Нужен спец по проектированию и изготовлению контроллеров

Сообщение -= Александр =- » 30 май 2008, 14:35

500 Вт для электромобиля - это не мощность... Чтоб нормально уйти со светофора нужно не меньше 10 кВт. Тут уже IGBT ставить надо. А там и эффект Миллера всплывет и еще ного всяких не очень приятных вещей... Я однажды сунулся по неопытности делать драйвер шаговика 10А 50В на обмотку - почти 3 месяца провозился, транзисторы пачками жег... Это на низких частотах и в идеальных условиях все просто, а раскрутить 50 кг до 5000 мин-1 - это уже задачка по-сложнее...

Добавлено спустя 3 минуты 9 секунд:
На идею электромобиля при сегодняшних технологиях я смотрю не очень-то оптимистично, но по конкретным вопросам готов помочь.
Ниндзя - круче всех. Они умеют ходить по воде, делить на ноль и угадывать шаффл в АйПоде.
Аватара пользователя
-= Александр =-
Мастер Самоделкин
 
Сообщения: 3678
Зарегистрирован: 11 окт 2004, 19:20
Откуда: Россия, СПб
прог. языки: C/C++, Python, asm
ФИО: Курмис Александр Андреевич

Re: Нужен спец по проектированию и изготовлению контроллеров

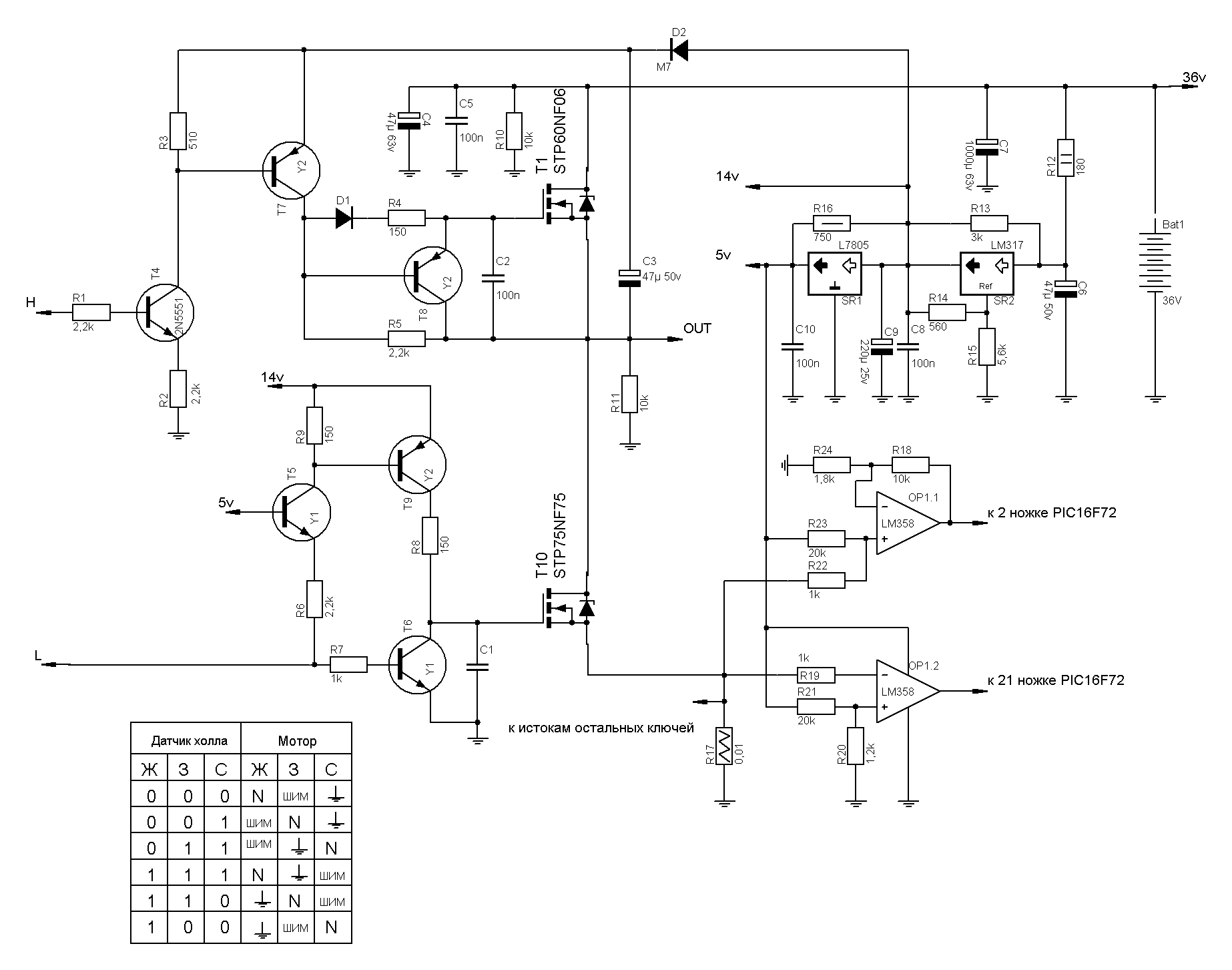
Сообщение Alex_Sor » 30 май 2008, 14:49

-= Александр =- писал(а):500 Вт для электромобиля - это не мощность... Чтоб нормально уйти со светофора нужно не меньше 10 кВт. Тут уже IGBT ставить надо. А там и эффект Миллера всплывет и еще ного всяких не очень приятных вещей... Я однажды сунулся по неопытности делать драйвер шаговика 10А 50В на обмотку - почти 3 месяца провозился, транзисторы пачками жег... Это на низких частотах и в идеальных условиях все просто, а раскрутить 50 кг до 5000 мин-1 - это уже задачка по-сложнее...


смотри вот схемку в аттаче: это контроллер вело-электро. там "ключи" полевики стоят.
а в более мощных контроллерах - от скутеров (до 1кВт) те-же транзисторы стоят в параллель. И ничего - годами все катается.

...а если головой подумать :) - то надо вообще-то не трехвазники в колеса ставить а вентильные реактивные: http://www.kaskod.ru/ru/motorsrm/srm_article02.php
у них смотри как обмотки - как у катушек реле :)
так вот - для вентильных реактивных можно подумать головой и не ставить особо мощных "переключателей" - просто каждая обмотка управляется и все. Это позволит применять дешевые транзисторы и сделать очень интересную схему управления!
Вложения
.gif
Аватара пользователя
Alex_Sor
 
Сообщения: 42
Зарегистрирован: 20 май 2008, 14:14
Откуда: Киев
прог. языки: ASM, C

Re: Нужен спец по проектированию и изготовлению контроллеров

Сообщение RoboTok » 30 май 2008, 20:00

-= Александр =- писал(а):500 Вт для электромобиля - это не мощность...


ЭМ бывают разные. Вы уже про машины полноценные говорите.
Тогда уш 60кВт нужно в простом варианте.

А IGBT ставят из-за высоких напряжений, ток то у них маленький.
А у полевиков наоборот.

Добавлено спустя 1 минуту 31 секунду:
Alex_Sor писал(а): вентильные реактивные:


А есть адресочек, кто торгует ими ?
Аватара пользователя
RoboTok
 
Сообщения: 1060
Зарегистрирован: 04 фев 2008, 13:18
Откуда: Москва
прог. языки: PHP

Re: Нужен спец по проектированию и изготовлению контроллеров

Сообщение Victorovych » 30 май 2008, 22:04

Немного не то что хочет автор первого поста, но все-равно похвастаюсь "делами давно минувших дней"
Была поставлена задача переделать старый погрузчик с контакторов, которые вечно горели, на транзисторное управление.
В кратце: силовая схема - понижающий регулятор на полевиках, управление на двух восьмых мегах (одна управление силовой частью, вторая контроль органов управления и индикация напряжения на акб), связь между контроллерами - RS-487. Общее управление - биоробот работающий на спирту :crazy:
Извиняюсь за качество, съемка велась четыре года назад при помощи модного К700. Других видео и фото материалов к сожалению не делалось
За рулем - Victorovych
Аватара пользователя
Victorovych
 
Сообщения: 491
Зарегистрирован: 20 сен 2007, 11:44
Откуда: Харьков
Skype: Victorovych_FF
прог. языки: ASM
ФИО: Иван ВикторОвич

Re: Нужен спец по проектированию и изготовлению контроллеров

Сообщение Master » 31 май 2008, 01:15

2 Аффтар, а уже есть механическая часть ЭМ которая ездит от кнопок? А то управлять я так понял еще ваще нечем?
Аватара пользователя
Master
 
Сообщения: 4468
Зарегистрирован: 21 дек 2006, 19:56
Откуда: Украина, г.Одесса
прог. языки: Delphi и С

Re: Нужен спец по проектированию и изготовлению контроллеров

Сообщение Alex_Sor » 02 июн 2008, 09:17

Master писал(а):2 Аффтар, а уже есть механическая часть ЭМ которая ездит от кнопок? А то управлять я так понял еще ваще нечем?


давно есть :)
Вложения
2.jpg
мотор-колесо
Аватара пользователя
Alex_Sor
 
Сообщения: 42
Зарегистрирован: 20 май 2008, 14:14
Откуда: Киев
прог. языки: ASM, C

Пред.След.

Вернуться в Вакансии/Работа/Трудоустройство/Заказы

Кто сейчас на конференции

Сейчас этот форум просматривают: нет зарегистрированных пользователей и гости: 0

cron