roboforum.ru

Технический форум по робототехнике.
Текущее время: 26 ноя 2025, 15:54

Часовой пояс: UTC + 4 часа




Начать новую тему Ответить на тему  [ Сообщений: 40 ]  На страницу Пред.  1, 2, 3  След.
Автор Сообщение
 Заголовок сообщения: Re: Нужен спец по проектированию и изготовлению контроллеров
СообщениеДобавлено: 30 май 2008, 10:39 
Не в сети
Аватара пользователя

Зарегистрирован: 20 май 2008, 14:14
Сообщения: 42
Откуда: Киев
прог. языки: ASM, C
Myp писал(а):
Alex_Sor писал(а):
3) вы хотите сделать электронику для управления электромобилем с помощью человека который не в состоянии для графического дисплея написать код? :D


Я достаточно насмотрелся на убожества под названием "дизайн рисовали программисты" :(
писание программ и рисование красивостей на экране - это совсем разные вещи - я именно про это говорил...

в пути на дисплей нужно выводить скорость (три большие цифры), а еще хочется ток нагрузки как-то... и какие-то пиктограммки состояний - кто все это :
1) красиво нарисует попиксельно(!),
2) запрограммирует в контроллер так чтобы AVR-у еще и время осталось чем-то полезным управлять, кроме картинок на экране :(

...я так понял тут тоже социофилы собрались - куча советов "как сделать" но ни одного человека который реально-бы взялся мне помочь :( ... грустно...


Вернуться к началу
 Профиль  
 
 Заголовок сообщения: Re: Нужен спец по проектированию и изготовлению контроллеров
СообщениеДобавлено: 30 май 2008, 10:53 
Не в сети
Аватара пользователя

Зарегистрирован: 28 дек 2004, 20:33
Сообщения: 10211
Откуда: Тольятти
Skype: Ed_Gull
прог. языки: Bascom AVR Basic
ФИО: Гуль Эдуард Викторович
к сожалению такова жизнь... :pardon:
я вот когда проект минибота начинал разрабатывать, думал реального интереса на несколько порядков больше будет.


Вернуться к началу
 Профиль  
 
 Заголовок сообщения: Re: Нужен спец по проектированию и изготовлению контроллеров
СообщениеДобавлено: 30 май 2008, 11:26 
Не в сети
скрытый хозяин вселенной :)
Аватара пользователя

Зарегистрирован: 18 сен 2006, 12:26
Сообщения: 18018
Откуда: Тверь по прозвищу Дверь
прог. языки: псевдокод =) сила в алгоритме!
ФИО: глубокоуважаемый Фёдор Анатольевич
1) я утверждаю что все возможные красивые попиксельные значки для всего что угодно уже давно нарисованы до вас и до нас и лежат в открытом доступе любые символы под любые нужды
а если будете отрицать я вас клавиатурой стукну :P
к тому же причём тут значки, посмотрите на картинки, сплошные прогресбары и буквенные обозначения
2)вам чо жалко 10 баксового контроллера для дисплея?? для десятка зарядников не жалко а для одного дисплея жалко... :D

не так уж и ужасно на мой взгляд...
много страничек, на каждой выведена инфа по одной тематике, можно смотреть либо по очереди странички либо на одной страницу сокр. общую инфу
(три большие цифры)
это вы на символьном дисплее хотите 3 большие цыфры вывести???
спешу вас огорчить, все цифры там стандартно крошечные =)

Изображение
Изображение
Изображение
Цитата:
...я так понял тут тоже социофилы собрались - куча советов "как сделать" но ни одного человека который реально-бы взялся мне помочь :( ... грустно...

я не социофил я мизантроп

а если не нравятся советчики то щас быстренько всё удалим кроме первого поста, мы никому специально мешать не собирались

_________________
<telepathmode>На вопросы отвечает Бригадир Телепатов!</telepathmode>
Всё уже придумано до нас!


Вернуться к началу
 Профиль  
 
 Заголовок сообщения: Re: Нужен спец по проектированию и изготовлению контроллеров
СообщениеДобавлено: 30 май 2008, 11:38 
Не в сети
Аватара пользователя

Зарегистрирован: 20 май 2008, 14:14
Сообщения: 42
Откуда: Киев
прог. языки: ASM, C
Myp писал(а):
1) я утверждаю что все возможные красивые попиксельные значки для всего что угодно уже давно нарисованы до вас и до нас и лежат в открытом доступе любые символы под любые нужды
а если будете отрицать я вас клавиатурой стукну :P


:) а где лежат для электромобиля ? :)

кстати - а где взять такие красивые картинки ? у меня тоже Logitech G15 клавиатура - хочу и себе такое :) ...

Народ - так мы будем что-то руками делать или поговорили и разбежались ?


Вернуться к началу
 Профиль  
 
 Заголовок сообщения: Re: Нужен спец по проектированию и изготовлению контроллеров
СообщениеДобавлено: 30 май 2008, 11:46 
Не в сети
Аватара пользователя

Зарегистрирован: 21 дек 2006, 19:56
Сообщения: 4468
Откуда: Украина, г.Одесса
прог. языки: Delphi и С
Конечно, руками разводить, такой проект удаленно не решается.


Вернуться к началу
 Профиль  
 
 Заголовок сообщения: Re: Нужен спец по проектированию и изготовлению контроллеров
СообщениеДобавлено: 30 май 2008, 13:49 
Не в сети
скрытый хозяин вселенной :)
Аватара пользователя

Зарегистрирован: 18 сен 2006, 12:26
Сообщения: 18018
Откуда: Тверь по прозвищу Дверь
прог. языки: псевдокод =) сила в алгоритме!
ФИО: глубокоуважаемый Фёдор Анатольевич
Alex_Sor писал(а):
:) а где лежат для электромобиля ? :)
кстати - а где взять такие красивые картинки ? у меня тоже Logitech G15 клавиатура - хочу и себе такое :) ...

1. в электромобилях какието специальные значки для изображения стандартных аккумуляторов\моторов?
назовите хоть одну хрень уникальную которую изобрели именно для электромобиля и которая больше нигде не используется)
2. приду домой дам ссылки на плугины и сайты, если не забуду.
я себе поставил один оч навороченный который в себе всё всё совмещает и моргает подсветкой в такт музыке)

Цитата:
мы будем что-то руками делать или поговорили и разбежались ?

да, это форум, тут тока говорить можно)
а делать руками будут те кто договорятся лично с автором и нам эта сторона неведома

_________________
<telepathmode>На вопросы отвечает Бригадир Телепатов!</telepathmode>
Всё уже придумано до нас!


Вернуться к началу
 Профиль  
 
 Заголовок сообщения: Re: Нужен спец по проектированию и изготовлению контроллеров
СообщениеДобавлено: 30 май 2008, 13:53 
Не в сети
Аватара пользователя

Зарегистрирован: 20 май 2008, 14:14
Сообщения: 42
Откуда: Киев
прог. языки: ASM, C
я все еще жду кто откликнется для конкретной работы по моей теме...


Вернуться к началу
 Профиль  
 
 Заголовок сообщения: Re: Нужен спец по проектированию и изготовлению контроллеров
СообщениеДобавлено: 30 май 2008, 14:18 
Не в сети
Аватара пользователя

Зарегистрирован: 04 фев 2008, 13:18
Сообщения: 1060
Откуда: Москва
прог. языки: PHP
Мур вам уж сказал, если кто будет готов писканёт вам.

А я б с удовольствием пообсуждал ЭМ в передышках пока пишу программу управления двигателями для своего ЭМ ;)
Кстати, контроллер, который я сделал, рассчитан на 10-15А 48В и того более 500 Вт. Для мелких ЭМ вполне хватит.
Так, что если вас пугает слово "бюджет" можете взять готовый драйвер, прошивку я тоже выложу :ROFL:


Вернуться к началу
 Профиль  
 
 Заголовок сообщения: Re: Нужен спец по проектированию и изготовлению контроллеров
СообщениеДобавлено: 30 май 2008, 14:24 
Не в сети
Аватара пользователя

Зарегистрирован: 20 май 2008, 14:14
Сообщения: 42
Откуда: Киев
прог. языки: ASM, C
RoboTok писал(а):
Мур вам уж сказал, если кто будет готов писканёт вам.

А я б с удовольствием пообсуждал ЭМ в передышках пока пишу программу управления двигателями для своего ЭМ ;)
...
Так, что если вас пугает слово "бюджет" можете взять готовый драйвер, прошивку я тоже выложу :ROFL:


"бюджета который надо проесть" у меня нет :)
у меня есть необходимые деньги и желание создать такое вот устройство(первый пост в этой ветке).

если кого-то интересуют электровоелосипеды и электромобили - прошу сюда:
http://electrotransport.ru/


Вернуться к началу
 Профиль  
 
 Заголовок сообщения: Re: Нужен спец по проектированию и изготовлению контроллеров
СообщениеДобавлено: 30 май 2008, 14:35 
Не в сети
Мастер Самоделкин
Аватара пользователя

Зарегистрирован: 11 окт 2004, 19:20
Сообщения: 3678
Откуда: Россия, СПб
прог. языки: C/C++, Python, asm
ФИО: Курмис Александр Андреевич
500 Вт для электромобиля - это не мощность... Чтоб нормально уйти со светофора нужно не меньше 10 кВт. Тут уже IGBT ставить надо. А там и эффект Миллера всплывет и еще ного всяких не очень приятных вещей... Я однажды сунулся по неопытности делать драйвер шаговика 10А 50В на обмотку - почти 3 месяца провозился, транзисторы пачками жег... Это на низких частотах и в идеальных условиях все просто, а раскрутить 50 кг до 5000 мин-1 - это уже задачка по-сложнее...

Добавлено спустя 3 минуты 9 секунд:
На идею электромобиля при сегодняшних технологиях я смотрю не очень-то оптимистично, но по конкретным вопросам готов помочь.

_________________
Ниндзя - круче всех. Они умеют ходить по воде, делить на ноль и угадывать шаффл в АйПоде.


Вернуться к началу
 Профиль  
 
 Заголовок сообщения: Re: Нужен спец по проектированию и изготовлению контроллеров
СообщениеДобавлено: 30 май 2008, 14:49 
Не в сети
Аватара пользователя

Зарегистрирован: 20 май 2008, 14:14
Сообщения: 42
Откуда: Киев
прог. языки: ASM, C
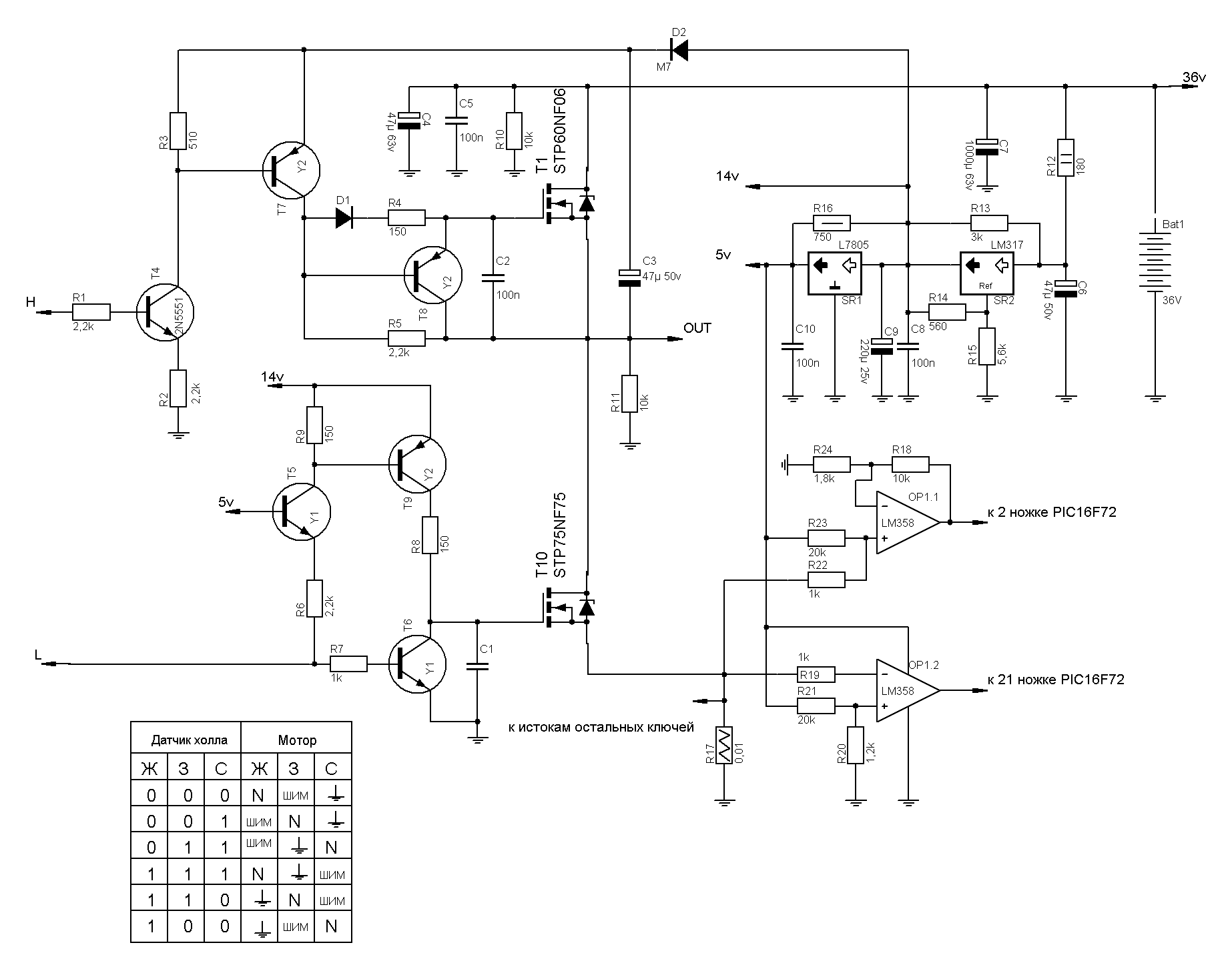
-= Александр =- писал(а):
500 Вт для электромобиля - это не мощность... Чтоб нормально уйти со светофора нужно не меньше 10 кВт. Тут уже IGBT ставить надо. А там и эффект Миллера всплывет и еще ного всяких не очень приятных вещей... Я однажды сунулся по неопытности делать драйвер шаговика 10А 50В на обмотку - почти 3 месяца провозился, транзисторы пачками жег... Это на низких частотах и в идеальных условиях все просто, а раскрутить 50 кг до 5000 мин-1 - это уже задачка по-сложнее...


смотри вот схемку в аттаче: это контроллер вело-электро. там "ключи" полевики стоят.
а в более мощных контроллерах - от скутеров (до 1кВт) те-же транзисторы стоят в параллель. И ничего - годами все катается.

...а если головой подумать :) - то надо вообще-то не трехвазники в колеса ставить а вентильные реактивные: http://www.kaskod.ru/ru/motorsrm/srm_article02.php
у них смотри как обмотки - как у катушек реле :)
так вот - для вентильных реактивных можно подумать головой и не ставить особо мощных "переключателей" - просто каждая обмотка управляется и все. Это позволит применять дешевые транзисторы и сделать очень интересную схему управления!


Вложения:
.gif
.gif [ 40.09 КиБ | Просмотров: 4217 ]
Вернуться к началу
 Профиль  
 
 Заголовок сообщения: Re: Нужен спец по проектированию и изготовлению контроллеров
СообщениеДобавлено: 30 май 2008, 20:00 
Не в сети
Аватара пользователя

Зарегистрирован: 04 фев 2008, 13:18
Сообщения: 1060
Откуда: Москва
прог. языки: PHP
-= Александр =- писал(а):
500 Вт для электромобиля - это не мощность...


ЭМ бывают разные. Вы уже про машины полноценные говорите.
Тогда уш 60кВт нужно в простом варианте.

А IGBT ставят из-за высоких напряжений, ток то у них маленький.
А у полевиков наоборот.

Добавлено спустя 1 минуту 31 секунду:
Alex_Sor писал(а):
вентильные реактивные:


А есть адресочек, кто торгует ими ?


Вернуться к началу
 Профиль  
 
 Заголовок сообщения: Re: Нужен спец по проектированию и изготовлению контроллеров
СообщениеДобавлено: 30 май 2008, 22:04 
Не в сети
Аватара пользователя

Зарегистрирован: 20 сен 2007, 11:44
Сообщения: 491
Откуда: Харьков
Skype: Victorovych_FF
прог. языки: ASM
ФИО: Иван ВикторОвич
Немного не то что хочет автор первого поста, но все-равно похвастаюсь "делами давно минувших дней"
Была поставлена задача переделать старый погрузчик с контакторов, которые вечно горели, на транзисторное управление.
В кратце: силовая схема - понижающий регулятор на полевиках, управление на двух восьмых мегах (одна управление силовой частью, вторая контроль органов управления и индикация напряжения на акб), связь между контроллерами - RS-487. Общее управление - биоробот работающий на спирту :crazy:
Извиняюсь за качество, съемка велась четыре года назад при помощи модного К700. Других видео и фото материалов к сожалению не делалось
За рулем - Victorovych


Вернуться к началу
 Профиль  
 
 Заголовок сообщения: Re: Нужен спец по проектированию и изготовлению контроллеров
СообщениеДобавлено: 31 май 2008, 01:15 
Не в сети
Аватара пользователя

Зарегистрирован: 21 дек 2006, 19:56
Сообщения: 4468
Откуда: Украина, г.Одесса
прог. языки: Delphi и С
2 Аффтар, а уже есть механическая часть ЭМ которая ездит от кнопок? А то управлять я так понял еще ваще нечем?


Вернуться к началу
 Профиль  
 
 Заголовок сообщения: Re: Нужен спец по проектированию и изготовлению контроллеров
СообщениеДобавлено: 02 июн 2008, 09:17 
Не в сети
Аватара пользователя

Зарегистрирован: 20 май 2008, 14:14
Сообщения: 42
Откуда: Киев
прог. языки: ASM, C
Master писал(а):
2 Аффтар, а уже есть механическая часть ЭМ которая ездит от кнопок? А то управлять я так понял еще ваще нечем?


давно есть :)


Вложения:
Комментарий к файлу: мотор-колесо
2.jpg
2.jpg [ 49.09 КиБ | Просмотров: 4156 ]
Вернуться к началу
 Профиль  
 
Показать сообщения за:  Поле сортировки  
Начать новую тему Ответить на тему  [ Сообщений: 40 ]  На страницу Пред.  1, 2, 3  След.

Часовой пояс: UTC + 4 часа


Кто сейчас на конференции

Сейчас этот форум просматривают: нет зарегистрированных пользователей и гости: 0


Вы не можете начинать темы
Вы не можете отвечать на сообщения
Вы не можете редактировать свои сообщения
Вы не можете удалять свои сообщения
Вы не можете добавлять вложения

Найти:
Перейти:  
cron
Powered by phpBB © 2000, 2002, 2005, 2007 phpBB Group
Русская поддержка phpBB
phpBB SEO